Numatic HZD570 handleiding

76 pagina's
PDF beschikbaar

Handleiding

Je bekijkt pagina 73 van 76
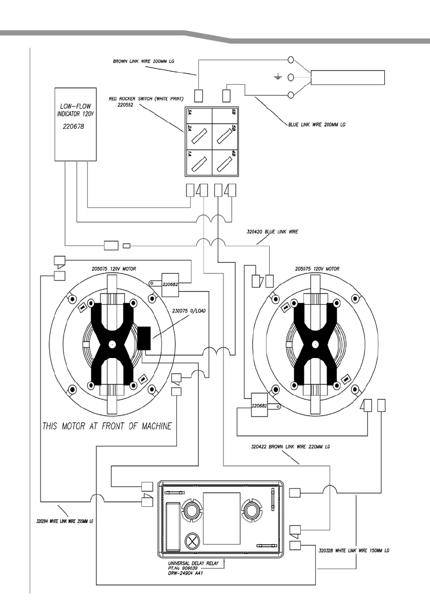
14 inch Metal 3 core (120 V)
WD-0264 (A03)

Bekijk gratis de handleiding van Numatic HZD570, stel vragen en lees de antwoorden op veelvoorkomende problemen, of gebruik onze assistent om sneller informatie in de handleiding te vinden of uitleg te krijgen over specifieke functies.

Productinformatie

MerkNumatic
ModelHZD570
CategorieStofzuiger
TaalNederlands
Grootte11398 MB