Numatic ERP170H handleiding
Handleiding
Je bekijkt pagina 11 van 36

Filter
907073 TriTex lter
907044 H13 Post motor lter
HepaFlo bags
909291 NVM1CH (Pack of 3)
907076 NVM1CH (Pack of 5)
907075 NVM1CH (Pack of 10)
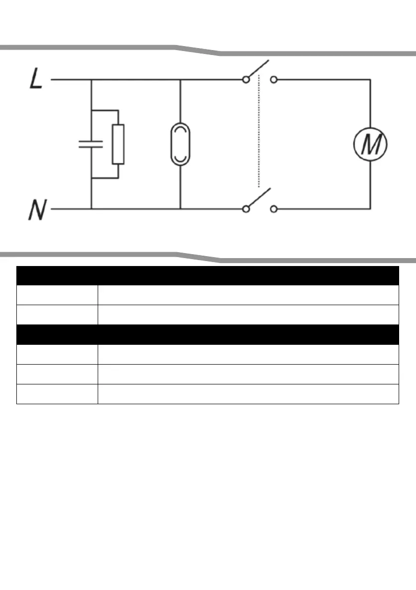
Schematic Diagram - Schaltplan - Schéma électrique - Bedradingsschema - Diagrama esquemático
- Schema apparecchio - Esquema eléctrico - Schemat - Schematiskt diagram - Kytkentäkaavio -
Skematisk diagram
Replacement parts - Ersatzteile - Pièces Détachées - Reserve Onderdelen -
Peças de substituição - Ricambi - Repuestos - Części zamienne - Reservdelar - Vaihto-osat -
Udskiftningsdele
Bekijk gratis de handleiding van Numatic ERP170H, stel vragen en lees de antwoorden op veelvoorkomende problemen, of gebruik onze assistent om sneller informatie in de handleiding te vinden of uitleg te krijgen over specifieke functies.
Productinformatie
Merk | Numatic |
Model | ERP170H |
Categorie | Stofzuiger |
Taal | Nederlands |
Grootte | 6729 MB |