Nikon Pronea S handleiding

160 pagina's
PDF beschikbaar

Handleiding

Je bekijkt pagina 57 van 160

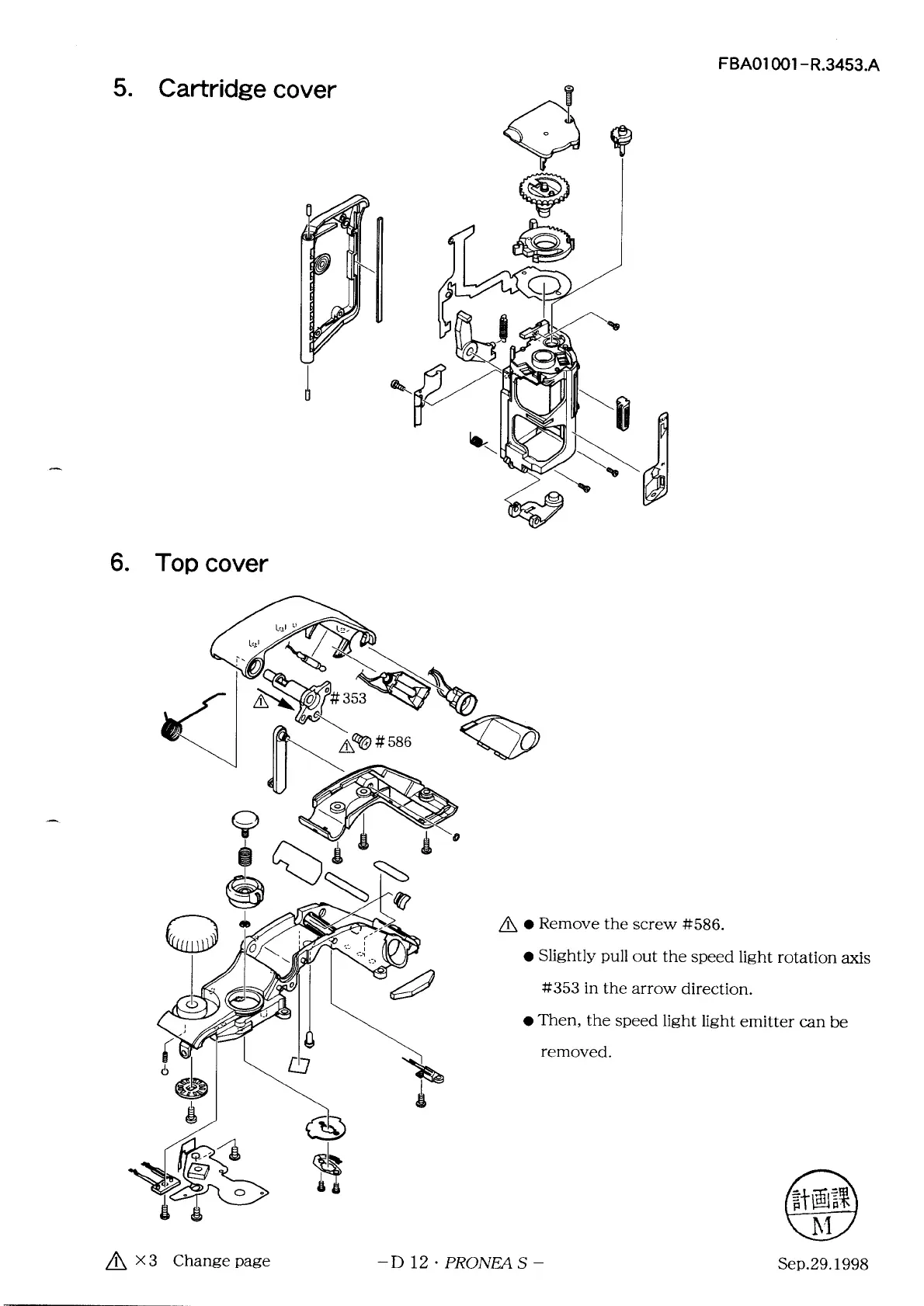
Bekijk gratis de handleiding van Nikon Pronea S, stel vragen en lees de antwoorden op veelvoorkomende problemen, of gebruik onze assistent om sneller informatie in de handleiding te vinden of uitleg te krijgen over specifieke functies.

Productinformatie

MerkNikon
ModelPronea S
CategorieNiet gecategoriseerd
TaalNederlands
Grootte25505 MB