MSW -TC-1100HA handleiding

76 pagina's
PDF beschikbaar

Handleiding

Je bekijkt pagina 66 van 76
Rev. 01.07.2024
10
11
6
7
98
4
31
2 5
1312
16
15
15
17
18
19
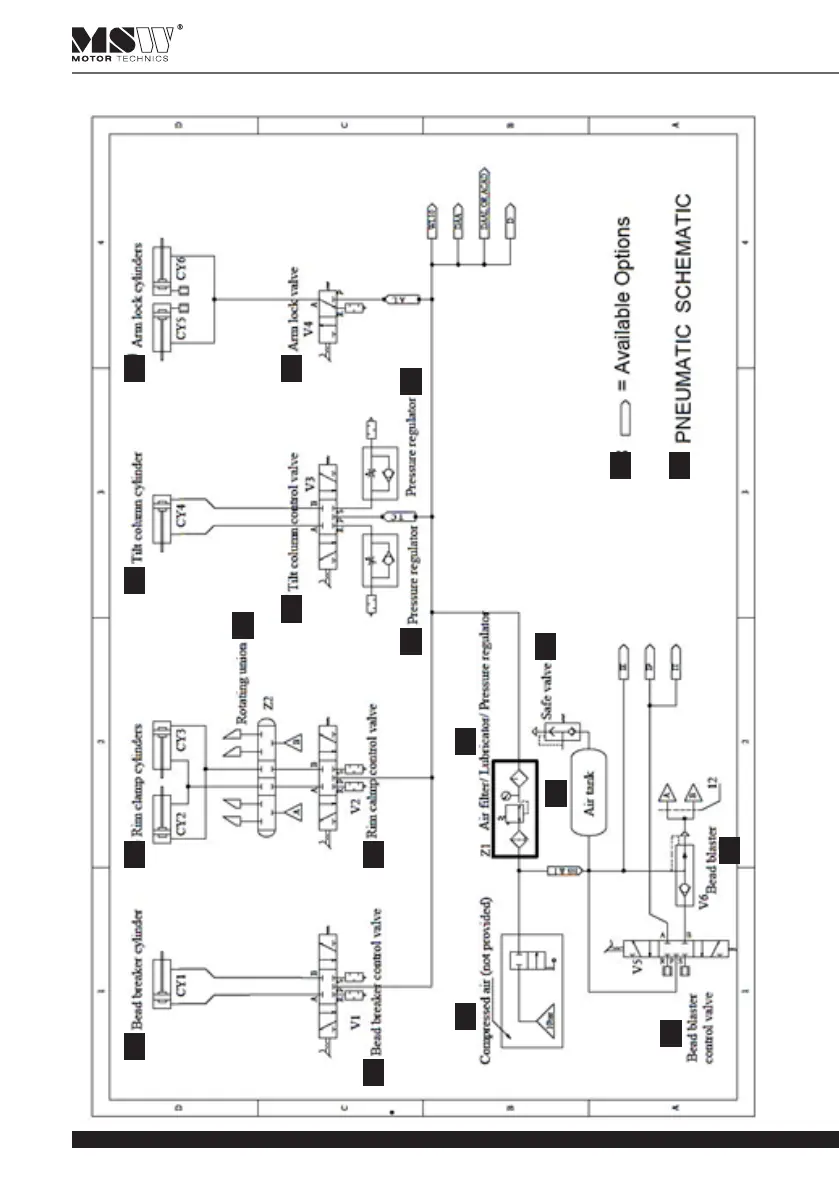
66
MSW-TC-1100HA

Bekijk gratis de handleiding van MSW -TC-1100HA, stel vragen en lees de antwoorden op veelvoorkomende problemen, of gebruik onze assistent om sneller informatie in de handleiding te vinden of uitleg te krijgen over specifieke functies.

Productinformatie

MerkMSW
Model-TC-1100HA
CategorieNiet gecategoriseerd
TaalNederlands
Grootte13751 MB