MSW -PASO D220 handleiding

399 pagina's
PDF beschikbaar

Handleiding

Je bekijkt pagina 22 van 399
DE
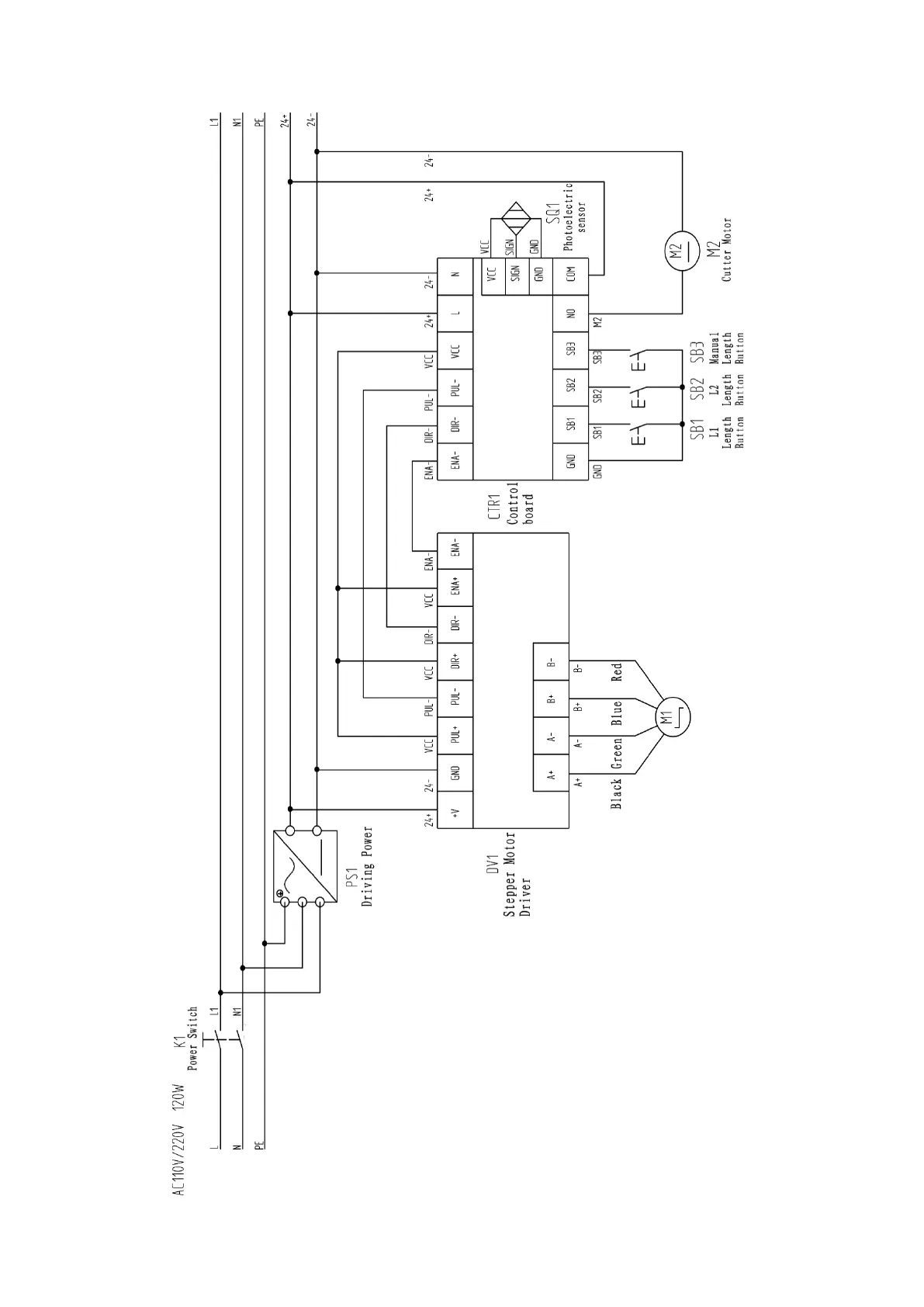
9. Elektrische Diagramme

Bekijk gratis de handleiding van MSW -PASO D220, stel vragen en lees de antwoorden op veelvoorkomende problemen, of gebruik onze assistent om sneller informatie in de handleiding te vinden of uitleg te krijgen over specifieke functies.

Productinformatie

MerkMSW
Model-PASO D220
CategorieNiet gecategoriseerd
TaalNederlands
Grootte45247 MB