MSW -GGDS-750R handleiding
Handleiding
Je bekijkt pagina 8 van 150

DE
6. Setzen Sie das Rad auf die Hauptachse des Motors und befestigen Sie dann die Schraube und die
Radabdeckung, um die Installation abzuschließen.
HINWEIS! Die Hauptachse des Motors ist hochpräzise; unsachgemäße Handhabung kann zu
Beschädigungen führen und die Ausrichtung der Schleifscheibe beeinträchtigen.
Entsorgung von Altgeräten
Entsorgen Sie dieses Gerät nicht über den Hausmüll. Geben Sie es bei einer Recycling- und Sammelstelle für
Elektro- und Elektronikgeräte ab. Überprüfen Sie das Symbol auf dem Produkt, der Gebrauchsanweisung und der
Verpackung. Die für die Herstellung des Geräts verwendeten Kunststoffe können entsprechend ihrer
Kennzeichnung recycelt werden. Indem Sie sich für das Recycling entscheiden, leisten Sie einen wichtigen Beitrag
zum Schutz unserer Umwelt.
Wenden Sie sich an die örtlichen Behörden, um Informationen über Ihre örtliche Recyclinganlage zu erhalten.
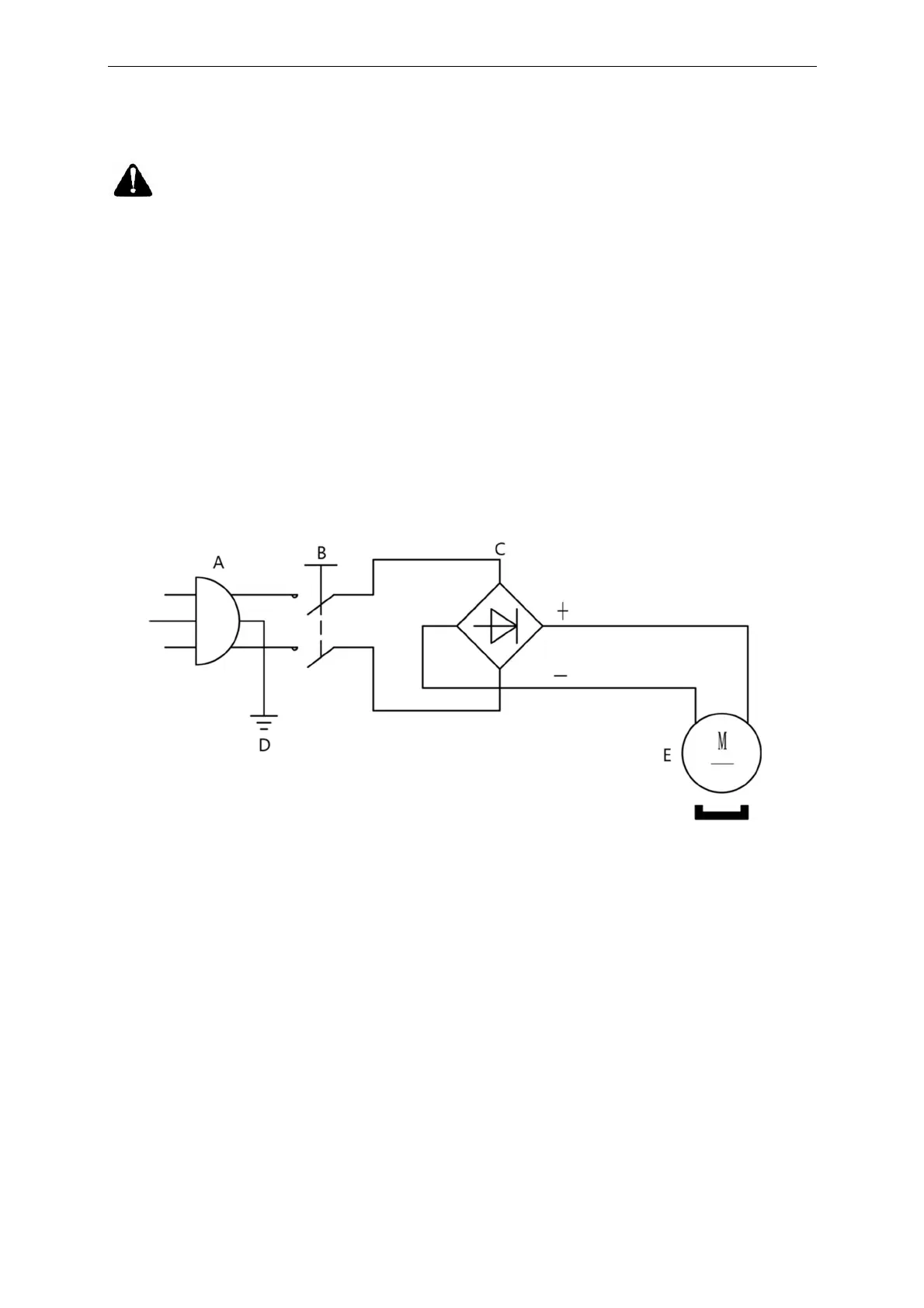
Stromlaufplan
A- Versorgungsquelle
B- Schalter
C- Gleichrichter
D- Erdung
E- Motor
Bekijk gratis de handleiding van MSW -GGDS-750R, stel vragen en lees de antwoorden op veelvoorkomende problemen, of gebruik onze assistent om sneller informatie in de handleiding te vinden of uitleg te krijgen over specifieke functies.
Productinformatie
| Merk | MSW |
| Model | -GGDS-750R |
| Categorie | Niet gecategoriseerd |
| Taal | Nederlands |
| Grootte | 39574 MB |







