MSW -CONCRETE-VPO750 handleiding
Handleiding
Je bekijkt pagina 90 van 264

ES
• Limpie la máquina antes de comenzar el mantenimiento de lubricación.
• Asegúrese de que la máquina esté sobre una superficie sólida y nivelada antes de comenzar
el mantenimiento.
• Durante el mantenimiento de lubricación, asegúrese de observar una limpieza estricta en
todo momento.
• Para evitar el riesgo de accidentes, utilice la herramienta correcta para el trabajo y
manténgalas limpias.
• El drenaje del aceite del motor se realiza mejor cuando el aceite está tibio, NO caliente.
• Cualquier aceite derramado deberá limpiarse inmediatamente.
• Utilice únicamente recipientes limpios para aceite y únicamente aceites y grasas LIMPIOS,
FRESCOS y del grado correcto.
• El agua, los líquidos, el aceite y los filtros contaminados deben eliminarse de forma segura.
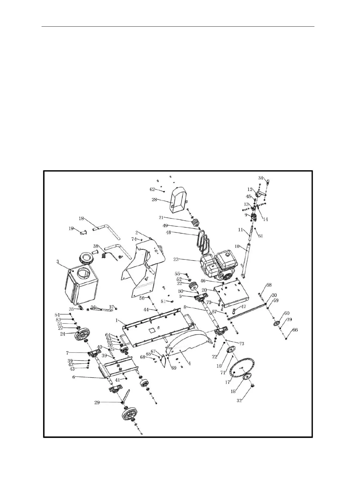
VI. LISTA DE ELEMENTOS
Bekijk gratis de handleiding van MSW -CONCRETE-VPO750, stel vragen en lees de antwoorden op veelvoorkomende problemen, of gebruik onze assistent om sneller informatie in de handleiding te vinden of uitleg te krijgen over specifieke functies.
Productinformatie
| Merk | MSW |
| Model | -CONCRETE-VPO750 |
| Categorie | Niet gecategoriseerd |
| Taal | Nederlands |
| Grootte | 46743 MB |







