MSW -CONCRETE-VPO750 handleiding
Handleiding
Je bekijkt pagina 40 van 264

PL
• Podczas konserwacji smarowania należy zawsze zachowywać ścisłą czystość.
• Aby uniknąć ryzyka wypadków, należy używać odpowiednich narzędzi do danej pracy i dbać o
ich czystość.
• Spuszczanie oleju silnikowego najlepiej przeprowadzać, gdy olej jest ciepły, NIE gorący.
• Każdy rozlany olej należy natychmiast wytrzeć.
• Do oleju należy używać wyłącznie czystych pojemników i wyłącznie CZYSTYCH, ŚWIEŻYCH
olejów i smarów odpowiedniej klasy.
• Zanieczyszczoną wodę / płyny / olej / filtry należy bezpiecznie zutylizować.
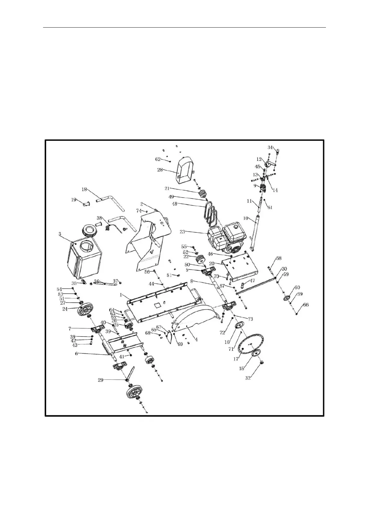
VI. LISTA CZĘŚCI
Bekijk gratis de handleiding van MSW -CONCRETE-VPO750, stel vragen en lees de antwoorden op veelvoorkomende problemen, of gebruik onze assistent om sneller informatie in de handleiding te vinden of uitleg te krijgen over specifieke functies.
Productinformatie
| Merk | MSW |
| Model | -CONCRETE-VPO750 |
| Categorie | Niet gecategoriseerd |
| Taal | Nederlands |
| Grootte | 46743 MB |







