MRCOOL MGM95SE070B3XA handleiding

59 pagina's
PDF beschikbaar

Handleiding

Je bekijkt pagina 4 van 59
507276-05C Page 3 of 57mrcool.com
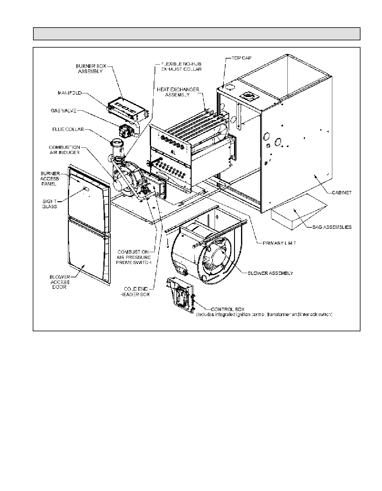
Figure 1.
Parts Arrangement

Bekijk gratis de handleiding van MRCOOL MGM95SE070B3XA, stel vragen en lees de antwoorden op veelvoorkomende problemen, of gebruik onze assistent om sneller informatie in de handleiding te vinden of uitleg te krijgen over specifieke functies.

Productinformatie

MerkMRCOOL
ModelMGM95SE070B3XA
CategorieNiet gecategoriseerd
TaalNederlands
Grootte11530 MB