Mitsubishi MUY-GL15NA handleiding

76 pagina's
PDF beschikbaar

Handleiding

Je bekijkt pagina 18 van 76
18
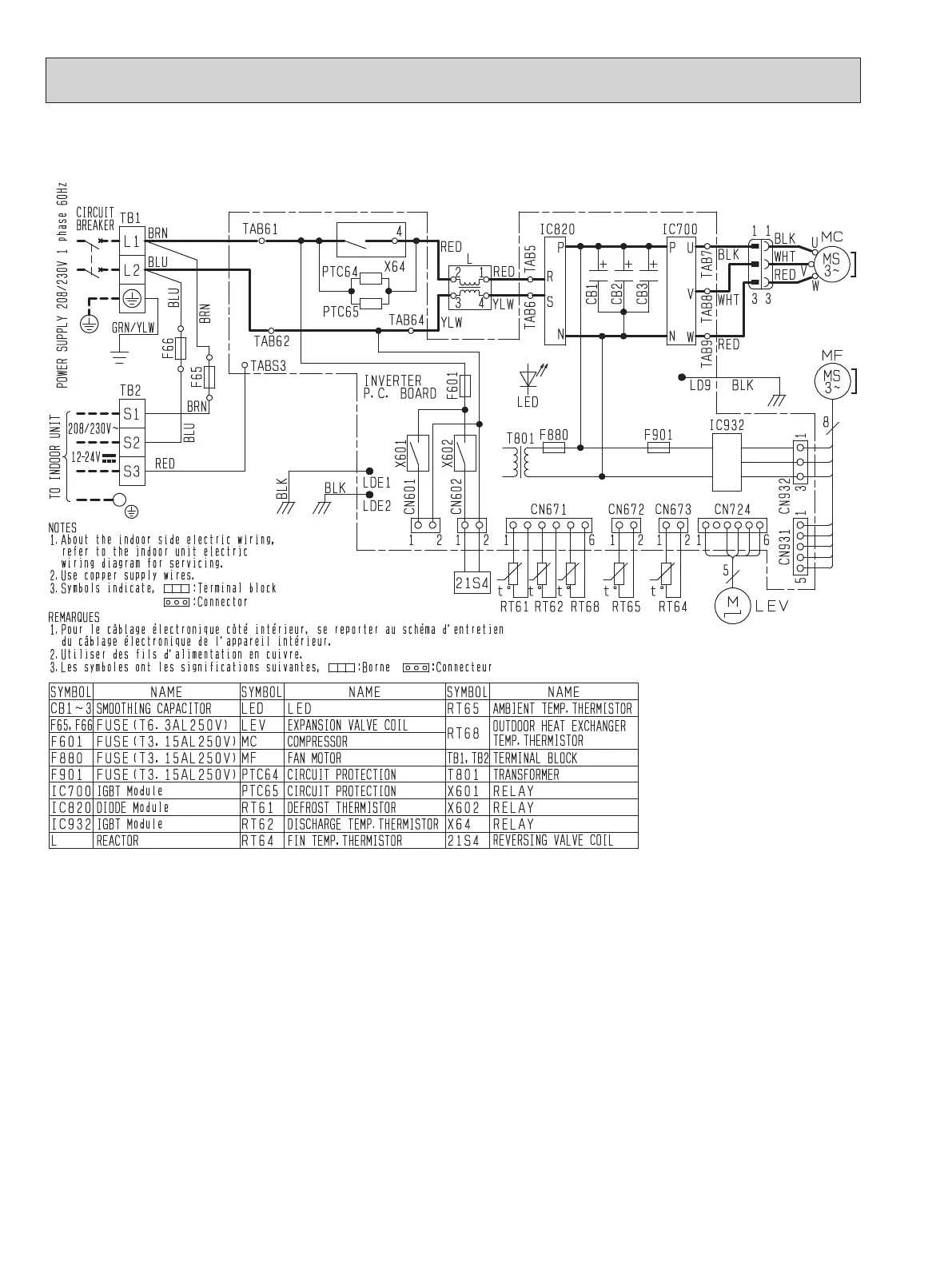
MUZ-GL24NA
OBH733J

Bekijk gratis de handleiding van Mitsubishi MUY-GL15NA, stel vragen en lees de antwoorden op veelvoorkomende problemen, of gebruik onze assistent om sneller informatie in de handleiding te vinden of uitleg te krijgen over specifieke functies.

Productinformatie

MerkMitsubishi
ModelMUY-GL15NA
CategorieAirco
TaalNederlands
Grootte15222 MB