Mitsubishi MUY-GL09NA handleiding

76 pagina's
PDF beschikbaar

Handleiding

Je bekijkt pagina 20 van 76
20
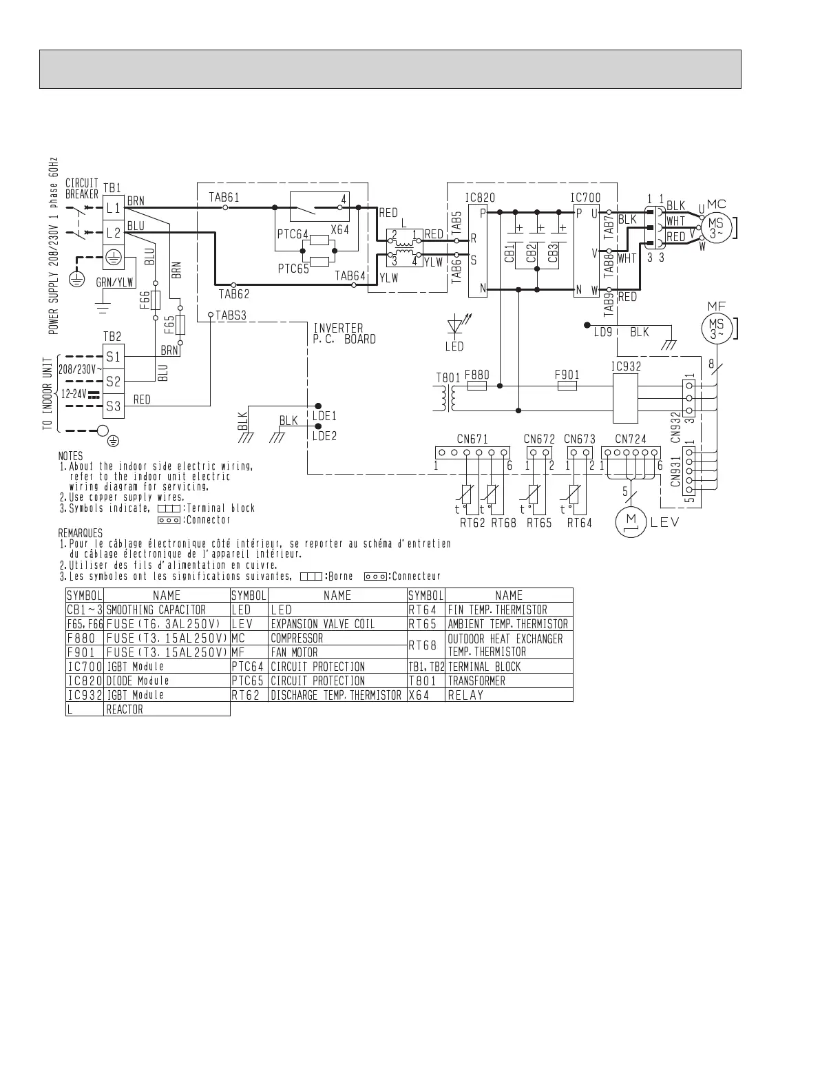
MUY-GL24NA
OBH733J

Bekijk gratis de handleiding van Mitsubishi MUY-GL09NA, stel vragen en lees de antwoorden op veelvoorkomende problemen, of gebruik onze assistent om sneller informatie in de handleiding te vinden of uitleg te krijgen over specifieke functies.

Productinformatie

MerkMitsubishi
ModelMUY-GL09NA
CategorieAirco
TaalNederlands
Grootte15222 MB