Milwaukee M12 BHCS3L handleiding
Handleiding
Je bekijkt pagina 37 van 73

72 73
LI-IONIAKKUJEN OHJEITA
Li-ioniakkujen käyttö
Jos vaihtoakkuja ei ole käytetty pitempään, ne tulee ladata uudelleen
ennen käyttöä.
Yli 50°C lämpötilassa akun suorituskyky heikkenee. Vältäthän akkujen
säilyttämistä auringossa tai kuumissa tiloissa.
Pidä aina latauslaitteen ja akun kosketinpinnat puhtaina.
Optimaalisen käyttöiän saavuttamiseksi akut on ladattava täyteen
käytön jälkeen.
Mahdollisimman pitkän eliniän varmistamiseksi akut tulee ottaa pois
latauslaitteesta lataamisen jälkeen.
Akkuja yli 30 päivää säilytettäessä:
Säilytä akku yli 27 °C:ssa ja kuivassa.
Sälytä akku sen latauksen ollessa 30 % - 50 %.
Lataa akku 6 kuukauden välein uudelleen.
Li-ioniakkujen ylilataussuojaus
Äärimmäisten väääntömomenttien, kiinnijuuttumisen tai
oikosulkutilanteiden ja ylivirta-arvojen sattuessa laite värisee n. 5
sekunnin ajan, akun näyttö vilkkuu ja laite kytkeytyy POIS PÄÄLTÄ.
Nollausta varten päästä laukaisin irti.
Äärimmäisolosuhteissa vaihtoakun lämpötila voi nousta liian
korkealle. Siinä tapauksessa akun näyttö alkaa vilkkua, kunnes
vaihtoakku on jäähtynyt. Kun näyttö ei enää vilku, niin laite on jälleen
valmiina käyttöön.
Li-ioniakkujen kuljettaminen
Litiumi-ioniakut kuuluvat vaarallisten aineiden kuljetuksesta annettujen
lakien piiriin.
Näiden akkujen kuljettaminen täytyy suorittaa noudattaen paikallisia,
kansallisia ja kansainvälisiä määräyksiä ja säädöksiä.
• Kuluttajat saavat ilman muuta kuljettaa näitä akkuja teitä pitkin.
• Kaupallisessa kuljetuksessa huolintaliikkeiden täytyy kuljettaa
litiumi-ioniakkuja vaarallisten aineiden kuljetuksesta annettujen
määräysten mukaisesti. Ainoastaan tähän vastaavasti koulutetut
henkilöt saavat suorittaa kuljetuksen valmistelutoimet ja itse
kuljetuksen. Koko prosessia tulee valvoa asiantuntevasti.
Seuraavat kohdat tulee huomioida akkuja kuljetettaessa:
• Varmista, että akkujen kontaktit on suojattu ja eristetty, jotta
vältetään lyhytsulut.
• Huolehdi siitä, ettei akkusarja voi luiskahtaa paikaltaan pakkauksen
sisällä.
• Vahingoittuneita tai vuotavia akkuja ei saa kuljettaa.
Pyydä tarkemmat tiedot huolintaliikkeeltäsi.
KULJETUS JA VARASTOINTI
• Ota vaihtoakku pois.
• Varmista, että kaikki osat ovat puhtaat ja kuivat.
• Puhdista laitteesta kaikki vieraat aineet.
• Tyhjennä säiliö ennen kuljetusta tai pitempää säilöönpanoa.
• Tarkasta joka käytön jälkeen, onko laitteessa vuotokohtia. Anna
valtuutetun korjaamon korjata vuotokohdat.
• Ruiskuputkea voidaan säilyttää pidikkeessä.
• Kiinnitä tuote kuljetettaessa siten, että se ei pääse liikkumaan tai
kaatumaan, jotta vältytä loukkaantumisilta ja vaurioilta.
• Säilytä laite viileässä, kuivassa ja hyvin tuuletetussa paikassa
poissa lasten ulottuvilta. Vältä koskettamasta syövyttäviin aineisiin,
kuten puutarhakemikaaleihin tai suolaan. Älä säilytä ulkosalla.
SÄILIÖN PUHDISTUS
1. Varmista, että akku on otettu pois.
2. Ota säiliö irti peruslaitteesta ja aseta se tasaiselle pinnalle jonkin
matkan päähän peruslaitteesta, jotta vältetään peruslaitteen
joutuminen kosketuksiin voimakkaiden kemikaalien kanssa.
3. Täytä yksi kolmasosa säiliöstä puhtaalla vedellä.
4. Pane säiliö jälleen laitteeseen ja ruiskuta vesi pois, kunnes säiliö
on tyhjä. Huolehdi siitä, ettei ruiskutussuihke kohdistu alueeseen,
joka voisi vahingoittua säiliössä olevien kemikaalinjäämien vuoksi.
5. Toista tämä menettely puhtaalla vedellä, kunnes säiliö on
puhdistettu perusteellisesti. Puhdista suuttimet ulkoapäin vedellä ja
hiero ne kuivaksi rievulla.
6. Pyyhi säiliön ulkopinta puhtaaksi puhtaalla, kuivalla liinalla.
7. Anna kaikkien osien kuivua hyvin ennen laitteen
uudelleenkokoamista ja säilöönpanoa. Ennen säiliön kannen
paikalleenpanoa pane aina ensin sihti paikalleen.
HUOLTO
Laitteen tarkastus vaatii erittäin suurta huolellisuutta ja
asiantuntemusta. Anna vain pätevän huoltoteknikon suorittaa
huoltotyöt. Suosittelemme laitteen lähettämistä valtuutettuun
huoltopisteeseen. Käytä huoltotöissä vain alkuperäisiä varaosia.
Suorita ainoastaan tässä käyttöohjeessa selostetut säädöt tai
korjaukset. Anna kaikki muut työt valtuutetun huoltopisteen tehtäväksi.
Puhdista laite joka käytön jälkeen kuten tässä ohjeessa on selitetty.
Tyhjennä säiliö ennen puhdistamista.
Laske tätä varten ruiskutusaine pois täyttöaukosta.
Tyhjennä ruiskutusaine erikoisesti kemikaaleille tarkoitettuun astiaan.
Älä säilytä ruiskutusainetta säiliössä.
Käytä säiliön puhdistamiseen ja huuhtelemiseen aina puhdasta vettä.
Tarvittaessa voit lisätä hieman kotitalouspuhdistusainetta.
Pyyhi laite puhtaaksi puhtaalla, kuivalla liinalla.
Mahdollisesti säiliö täytyy huuhdella useamman kerran.
Älä missään tapauksessa kaada kemikaalien jätteitä tai saastunutta
huuhteluvettä vesistöihin, jätevesiputkiin, jätevesikanaviin, viemäreihin
tai kanavakuiluihin.
Kemikaalien jätteet ja tyhjät astiat tulee hävittää paikallisten
jätehuoltomääräysten mukaisesti.
LISÄLAITTEET
Käytä ainoastaan Milwaukee lisätarvikkeita ja Milwaukee varaosia.
Mikäli jokin komponentti, jota ei ole kuvailtu, tarvitsee vaihtoa
ota yhteys johonkin Milwaukee palvelupisteistä (kts. listamme
takuuhuoltoliikkeiden/ palvelupisteiden osoitteista)
Tarvittaessa voit pyytää laitteen räjähdyspiirustuksen ilmoittaen
konetyypin ja tyyppikilvessä olevan kuusinumeroisen luvun
huoltopalvelustasi tai suoraan osoitteella Techtronic Industries GmbH,
Max Eyth Strasse/10, 71364/Winnenden, Saksa.
SUOMI SUOMI
SUUTTIMET TUKKEUTUNEET
Sammuta ruiskutuslaite heti, jos suuttimet ovat tukkeutuneet.
Varmista, että akkulokero on suljettu oikein.
Käytä suojavarusteita, kuten käsineitä ja suojalaseja.
Pura suuttimet osiin ja puhdista puhtaalla vedellä. Vaihda vialliset
suodattimet.
VIANHAKU
ONGELMA MAHDOLLINEN SYY POISTO
Paine liian alhainen Akun lataus ei ole riittävä Lataa akku
Ei painetta Akun lataus ei ole riittävä Lataa akku
Vuotokohtia Liittimiä ei ole liitetty
oikein, tiivisteet
huokoiset
Kiristä liittimet oikein,
vaihda tiivisteet uusiin
Moottori ei käy Akku tyhjä tai rikki Lataa akku tai vaihda
uuteen
Ei ruiskutussuihketta Suuttimet tukossa Puhdista suuttimet
paineilmalla tai sopivalla
liuotteella. Jos sihdit
tai ruiskutuspäät ovat
vahingoittuneet, ne tulisi
korvata ehjillä.
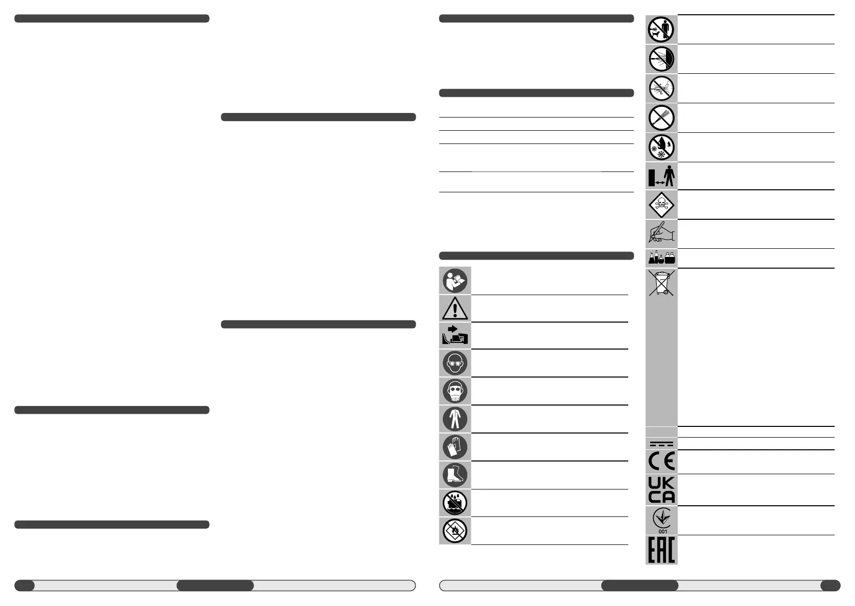
SYMBOLIT
Lue käyttöohjeet huolelleisesti, ennen koneen
käynnistämistä.
HUOMIO! VAROITUS! VAARA!
Ota akku pois ennen kaikkia koneeseen tehtäviä
toimenpiteitä.
Käytä aina suojalaseja!
Käytä sopivaa suojanaamaria.
Käytä suojavarusteita
Käytä suojakäsineitä!
Käytä tukevia, luistamattomia jalkineita!
Suojaa vaihtoakku sateelta. Älä käytä vaihtoakkua
kosteissa tai märissä paikoissa.
Älä ruiskuta tulenarkoja nesteitä.
Älä ruiskuta ihmisiin tai eläimiin päin!
Älä ruiskuta seinää päin!
Älä ruiskuta tuulta päin!
Älä pidä ruiskutussuutinta ylöspäin! Ruiskuta vain
alaspäin!
Säilytä puhdistetut osat kuivassa pakkaselta
suojattuina.
Pidä lähellä olevat henkilöt turvallisella etäisyydellä
työskentelyalueelta!
Vaarallisia kemikaaleja
Merkitse säiliön senhetkinen sisältö muistiin
Käytettävät kemialliset aineet
Älä hävitä käytettyjä paristoja, sähkö- ja
elektroniikkaromua lajittelemattomana
yhdyskuntajätteenä. Käytetyt paristot sekä sähkö- ja
elektroniikkaromu on kerättävä erikseen.
Käytetyt paristot, romuakut ja valonlähteet on
irrotettava laitteista.
Kysy paikallisilta viranomaisilta tai jälleenmyyjiltä
neuvoa kierrättämiseen ja tietoa keräyspisteestä.
Paikalliset säännökset saattavat velvoittaa
vähittäiskauppiaat ottamaan käytetyt paristot, sähkö-
ja elektroniikkaromun takaisin maksutta.
Panoksesi käytettyjen paristojen sekä sähkö- ja
elektroniikkalaiteromun uudelleenkäytössä ja
kierrätyksessä auttaa vähentämään raaka-aineiden
kysyntää.
Käytetyt paristot, etenkin litiumia sisältävät, sekä
sähkö- ja elektroniikkaromu sisältävät arvokkaita,
kierrätettäviä materiaaleja, jotka saattavat vaikuttaa
haitallisesti ympäristöön ja ihmisten terveyteen, jos
niitä ei hävitetä ympäristöystävällisesti.
Poista mahdolliset henkilökohtaiset tiedot
hävitettävästä laitteesta.
V
Jännite
Tasavirta
Euroopan säännönmukaisuusmerkki
Iso-Britannian standardinmukaisuusmerkki
Ukrainan säännönmukaisuusmerkki
Euraasian säännönmukaisuusmerkki
Bekijk gratis de handleiding van Milwaukee M12 BHCS3L, stel vragen en lees de antwoorden op veelvoorkomende problemen, of gebruik onze assistent om sneller informatie in de handleiding te vinden of uitleg te krijgen over specifieke functies.
Productinformatie
Merk | Milwaukee |
Model | M12 BHCS3L |
Categorie | Niet gecategoriseerd |
Taal | Nederlands |
Grootte | 15951 MB |