Milesight MS-C5367-X23PC handleiding
Handleiding
Je bekijkt pagina 15 van 190

Milesight PTZ Network Camera User Manual | 2 - Product Description | 15
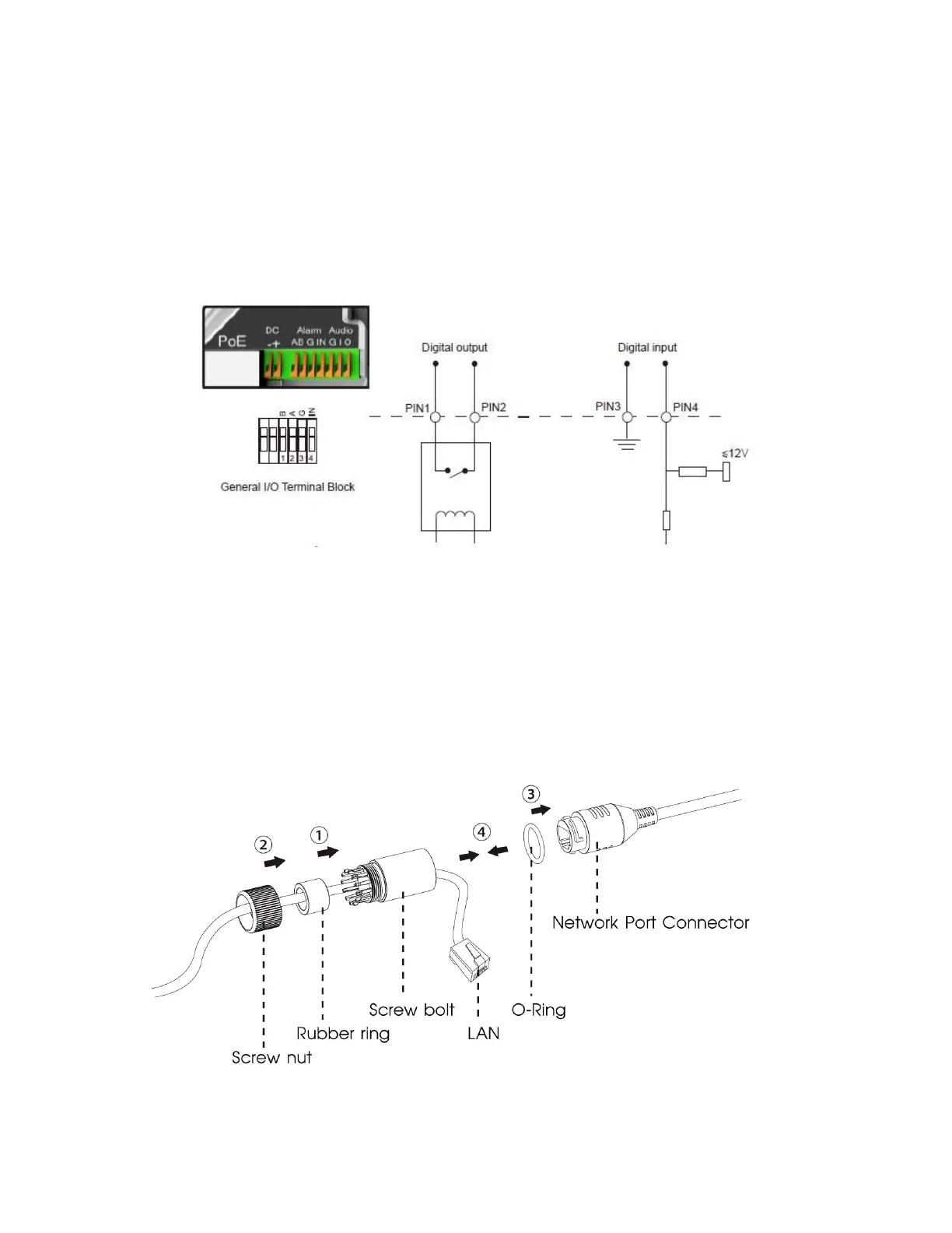
2.4 How to Connect to Alarm Interface
External interface of camera is as the following, you can refer to the picture to install the external
alarm device:
• PIN1: Alarm Output NC/NO 24V DC 1A
• PIN2: Alarm Output NC/NO 24V DC 1A
• PIN3: Alarm Input NC/NO
≤12V
• PIN4: Alarm Input NC/NO
≤12V
2.5 How to Connect the Water-proof Connector
Bekijk gratis de handleiding van Milesight MS-C5367-X23PC, stel vragen en lees de antwoorden op veelvoorkomende problemen, of gebruik onze assistent om sneller informatie in de handleiding te vinden of uitleg te krijgen over specifieke functies.
Productinformatie
| Merk | Milesight |
| Model | MS-C5367-X23PC |
| Categorie | Bewakingscamera |
| Taal | Nederlands |
| Grootte | 35327 MB |
Caratteristiche Prodotto
| Kleur van het product | White, Black |
| Gewicht | 2900 g |
| Breedte | 110 mm |
| Diepte | 337 mm |
| Hoogte | 220 mm |


