Milesight MS-C2964-PD handleiding
Handleiding
Je bekijkt pagina 31 van 237

Milesight Network Camera User Manual | 2 - Product Description | 31
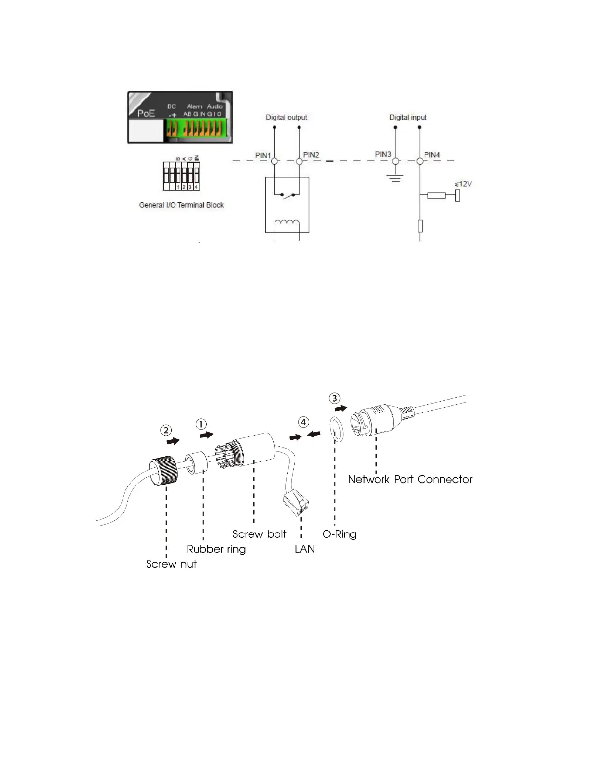
• PIN1: Alarm Output NC/NO 24V DC 1A
• PIN2: Alarm Output NC/NO 24V DC 1A
• PIN3: Alarm Input NC/NO
≤12V
• PIN4: Alarm Input NC/NO
≤12V
2.5 How to Connect the Water-proof Connector
Step1: Get the network cable through the screw nut, rubber ring and the screw bolt.
Step2: Insert the rubber ring into the screw bolt.
Step3: Connect the screw nut to the screw bolt.
Step4: Place the O-Ring on the network port connector.
Bekijk gratis de handleiding van Milesight MS-C2964-PD, stel vragen en lees de antwoorden op veelvoorkomende problemen, of gebruik onze assistent om sneller informatie in de handleiding te vinden of uitleg te krijgen over specifieke functies.
Productinformatie
| Merk | Milesight |
| Model | MS-C2964-PD |
| Categorie | Bewakingscamera |
| Taal | Nederlands |
| Grootte | 42995 MB |
Caratteristiche Prodotto
| Kleur van het product | Black, White |
| Soort | IP-beveiligingscamera |
| Internationale veiligheidscode (IP) | IP67 |
| Maximale capaciteit van de geheugenkaart | 256 GB |
| Vormfactor | Rond |


