Midea MF10EW70B handleiding
Handleiding
Je bekijkt pagina 9 van 37

9
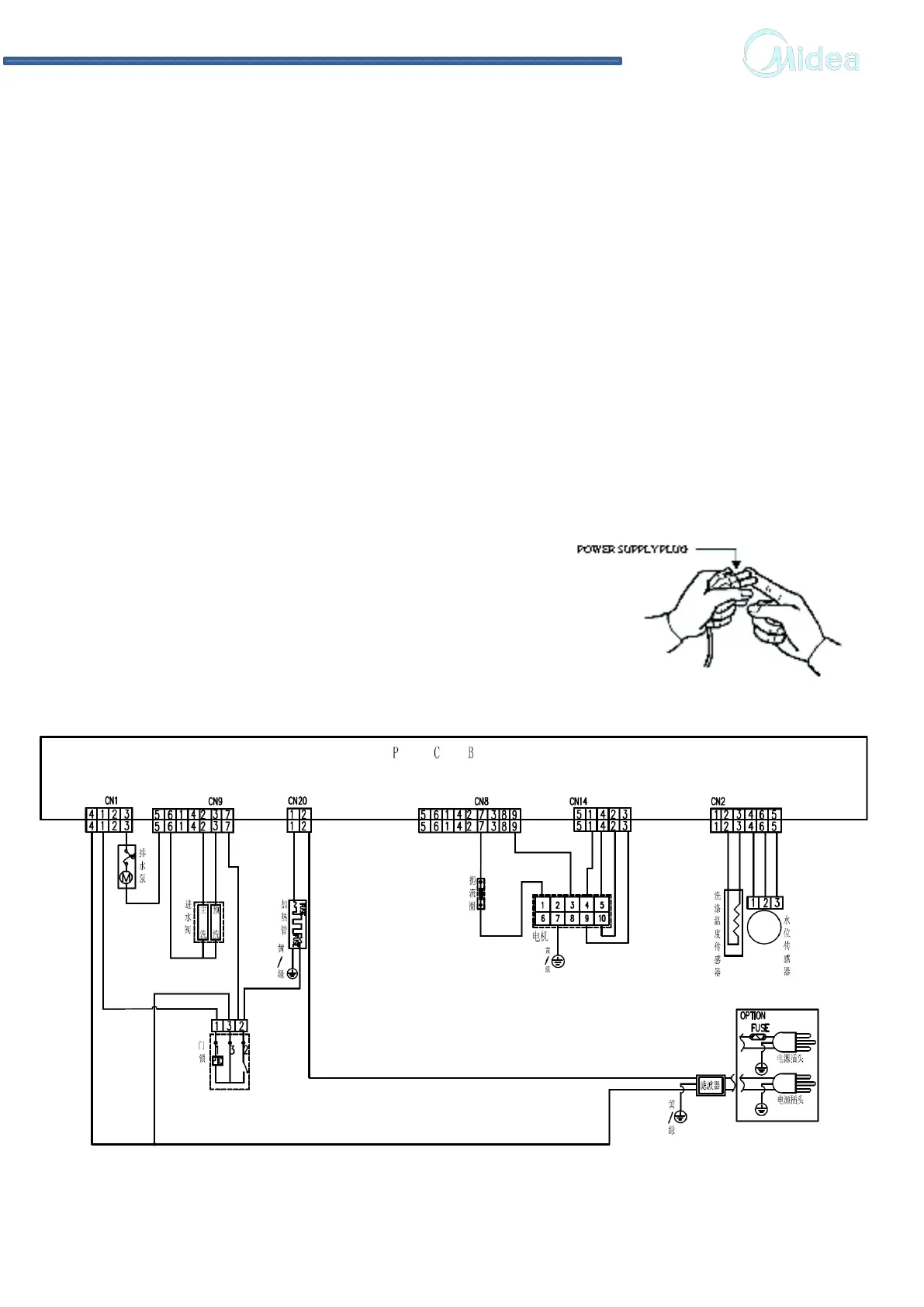
3 WIRING DIAGRAM/PCB LAYOUT
3.1 During the failure diagnosing and changing components, please do it as
following:
1)There is some static harm to the electrical parts from colophony in the
washing machine or humans. So it is better to eliminate the potential static by
grounding the humans or touching the plugs.
2)The rated voltage of the SCR in PCB is 220-240V, So it's possible to be
electrical shock. Please take care while strong and weak electricity is alternative.
3)The design of PCB is out of failure, so prohibit to change the PCB panel
according to its alarm. Please do it according to the failure diagnose program.
3.2 The circuit program
Bekijk gratis de handleiding van Midea MF10EW70B, stel vragen en lees de antwoorden op veelvoorkomende problemen, of gebruik onze assistent om sneller informatie in de handleiding te vinden of uitleg te krijgen over specifieke functies.
Productinformatie
| Merk | Midea |
| Model | MF10EW70B |
| Categorie | Wasmachine |
| Taal | Nederlands |
| Grootte | 12197 MB |







