Midea 340525 handleiding
Handleiding
Je bekijkt pagina 14 van 42

13
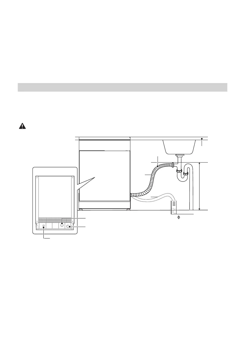
Insert the drain hose into a drain pipe with a minimum diameter of 4 cm, or let it run into
the sink, making sure to avoid bending or crimping it. The height of drain pipe must be
less than 1000 mm. The free end of the hose must not be immersed in water to avoid
the back flow of it.
How to connect the safety supply hose
1. Pull the safety supply hoses out from storage compartment located at
rear of dishwasher.
2. Tighten the screws of the safety supply hose to the faucet with thread 3/4inch.
3. Turn the water fully on before starting the dishwasher.
How to disconnect the safety supply hose
1. Turn off the water.
2. Unscrew the safety supply hose from the faucet.
Connection Of Drain Hoses
Please securely fix the drain hose in either position A or position B
B
A
MAX 1000 mm
Counter
Drain hose
Back of dishwasher
Water Inlet
Drain Pipe
Mains Cable
40 mm
Drain Pipe
Bekijk gratis de handleiding van Midea 340525, stel vragen en lees de antwoorden op veelvoorkomende problemen, of gebruik onze assistent om sneller informatie in de handleiding te vinden of uitleg te krijgen over specifieke functies.
Productinformatie
Merk | Midea |
Model | 340525 |
Categorie | Vaatwasser |
Taal | Nederlands |
Grootte | 3744 MB |