Microchip RTPF500T handleiding
Handleiding
Je bekijkt pagina 25 van 107

Package Mechanical Drawings
5193068 PD3068 Datasheet Revision 62.0 16
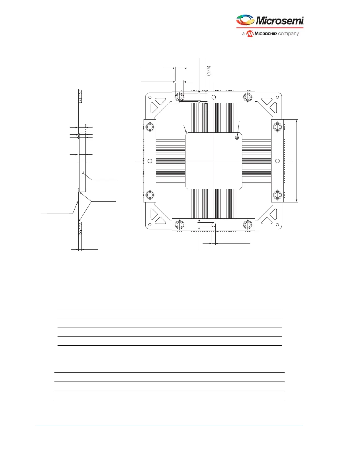
Figure 9 • Bottom and Side Views of CQ84
Note: Units are in mm.
Note: LID and die attach area must be connected to ground (GND).
The following table shows the supported devices for CQ84.
Table 9 • Supported Devices for CQ84
Supported Devices
A1020B RT1020
1
A32100DX
1
1. This product is obsolete.
RH1020
1
A54SX32A RT54SX32S
1
, RTSX32SU
Table 10 • Plate Thickness for CQ84
Plate Thickness
Ni Plating 2.03~8.89 micron
Au Plating 2.54 micron min.
Bottom View
Side View
MAX. 2.31
MAX. 2.00
1.77 ± 0.18
2.15 ± 0.25
(2.55)
(0.45)
DEPTH
(2.15)
(2.05)
(2.40)
DEPTH
INDEX MARK
(PLATING OPTION)
84
1
64
64
43
42
21
22
4X
(0.76 × 45º)
CHAMFER
4X
(1.25)
(1.10)
(DEPTH 0.45)
4X
LEAD MATERIAL
Fe-Ni-Co ALLOY
BRAZED
Ag-Cu ALLOY
0.889
4X
24.13 ± 0.25
CERAMIC
Bekijk gratis de handleiding van Microchip RTPF500T, stel vragen en lees de antwoorden op veelvoorkomende problemen, of gebruik onze assistent om sneller informatie in de handleiding te vinden of uitleg te krijgen over specifieke functies.
Productinformatie
Merk | Microchip |
Model | RTPF500T |
Categorie | Niet gecategoriseerd |
Taal | Nederlands |
Grootte | 16061 MB |