Metro C539-HLFS-L handleiding

32 pagina's
PDF beschikbaar

Handleiding

Je bekijkt pagina 27 van 32
C5 1-3 SERIES HOLDING & PROOFING CABINETS — INSTRUCTIONS FOR USE
27
www.metro.com
L01-430
REV W 01/22
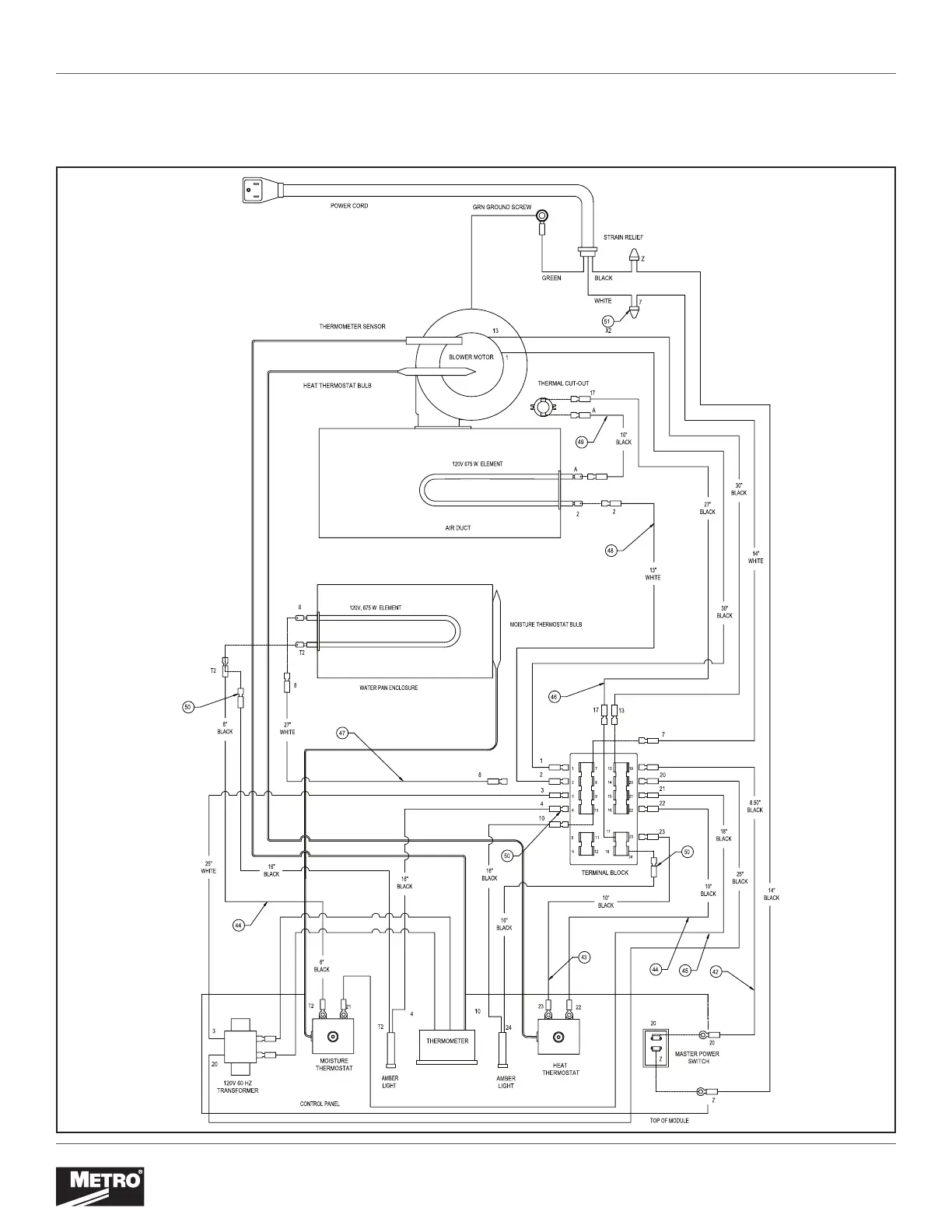
SERVICE and REPLACEMENT PARTS (continued)
WIRING DIAGRAM — PROOFING MODULE

Bekijk gratis de handleiding van Metro C539-HLFS-L, stel vragen en lees de antwoorden op veelvoorkomende problemen, of gebruik onze assistent om sneller informatie in de handleiding te vinden of uitleg te krijgen over specifieke functies.

Productinformatie

MerkMetro
ModelC539-HLFS-L
CategorieNiet gecategoriseerd
TaalNederlands
Grootte5137 MB