Metro C535-CLFC-U-BU handleiding

32 pagina's
PDF beschikbaar

Handleiding

Je bekijkt pagina 25 van 32
C5 1-3 SERIES HOLDING & PROOFING CABINETS — INSTRUCTIONS FOR USE
25
www.metro.com
L01-430
REV W 01/22
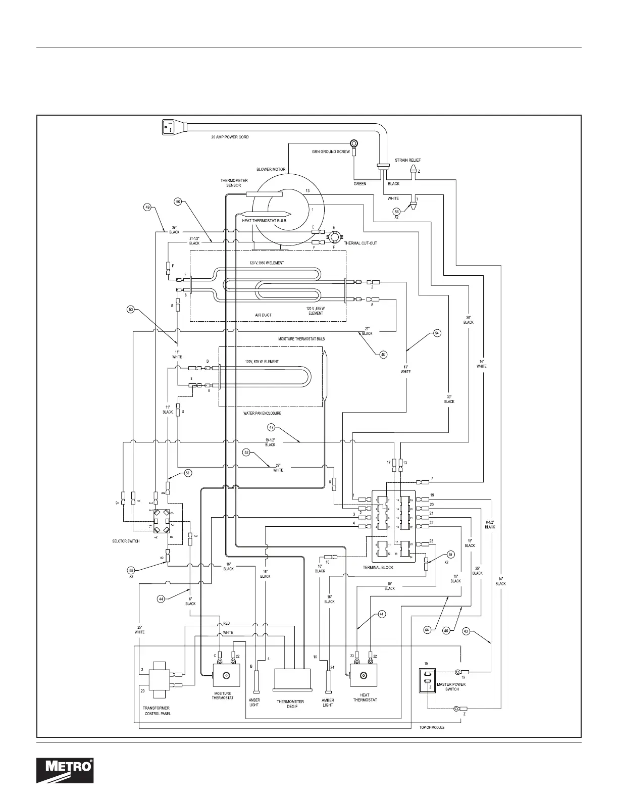
SERVICE and REPLACEMENT PARTS (continued)
WIRING DIAGRAM — COMBO MODULE

Bekijk gratis de handleiding van Metro C535-CLFC-U-BU, stel vragen en lees de antwoorden op veelvoorkomende problemen, of gebruik onze assistent om sneller informatie in de handleiding te vinden of uitleg te krijgen over specifieke functies.

Productinformatie

MerkMetro
ModelC535-CLFC-U-BU
CategorieNiet gecategoriseerd
TaalNederlands
Grootte5137 MB