Mennekes AMTRON 4You 560 11 handleiding
Handleiding
Je bekijkt pagina 35 van 492

33
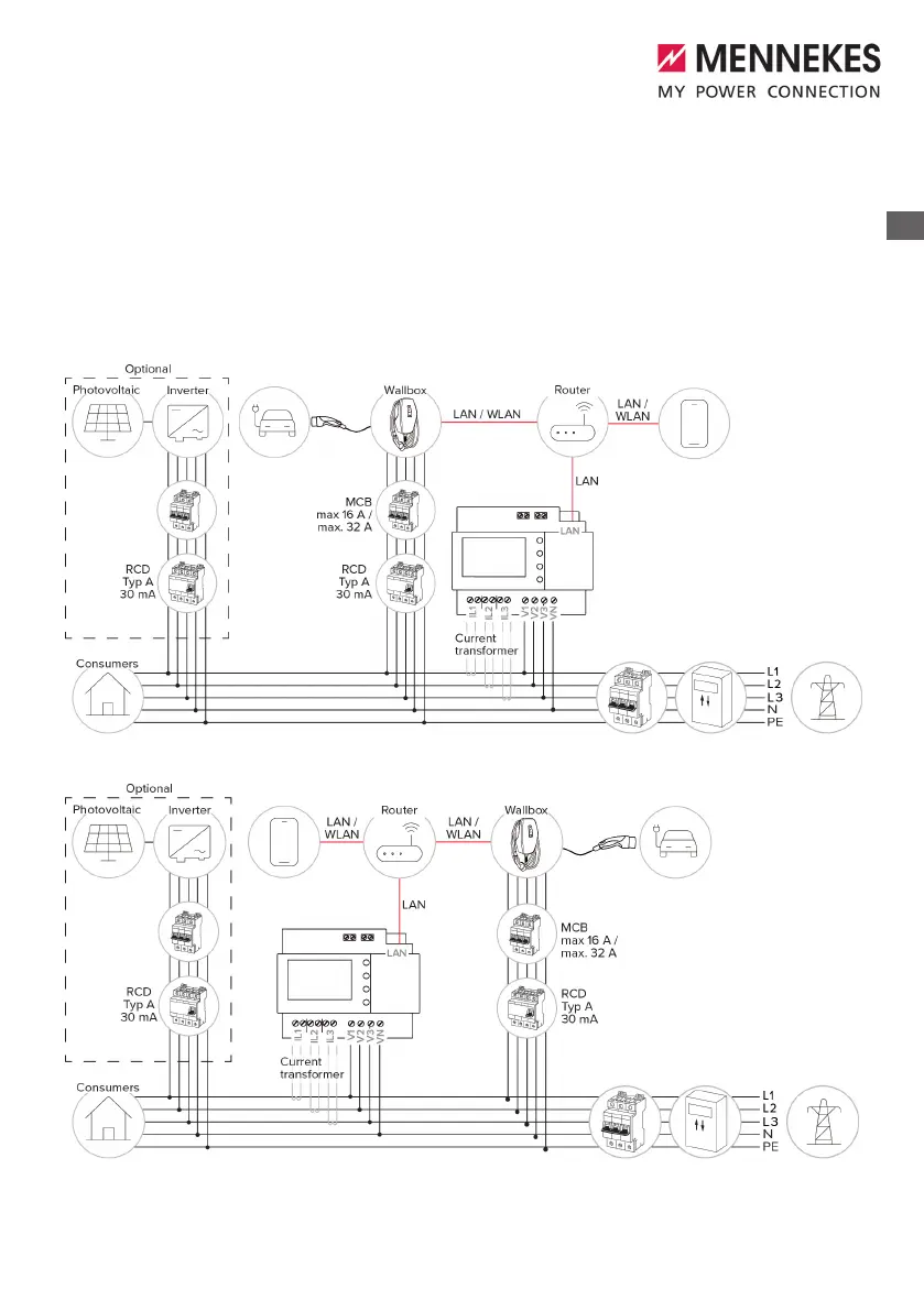
6.8.2.1 Aufbau
Der externe Energiezähler kann so platziert sein, dass nur die externen Verbraucher gemessen werden
oder dass der Gesamtverbrauch (externe Verbraucher und die Ladestation) gemessen wird. In den fol-
genden Abbildungen wird der Aufbau bei Verwendung des MENNEKES Zubehörsets 18662 (Siemens
PAC22007KM inkl. Stromwandler) gezeigt.
Energiezähler misst Gesamtverbrauch (Standard-Einstellung)
Energiezähler misst nur externe Verbraucher
DE
Bekijk gratis de handleiding van Mennekes AMTRON 4You 560 11, stel vragen en lees de antwoorden op veelvoorkomende problemen, of gebruik onze assistent om sneller informatie in de handleiding te vinden of uitleg te krijgen over specifieke functies.
Productinformatie
| Merk | Mennekes |
| Model | AMTRON 4You 560 11 |
| Categorie | Niet gecategoriseerd |
| Taal | Nederlands |
| Grootte | 48792 MB |

