Handleiding
Je bekijkt pagina 64 van 76

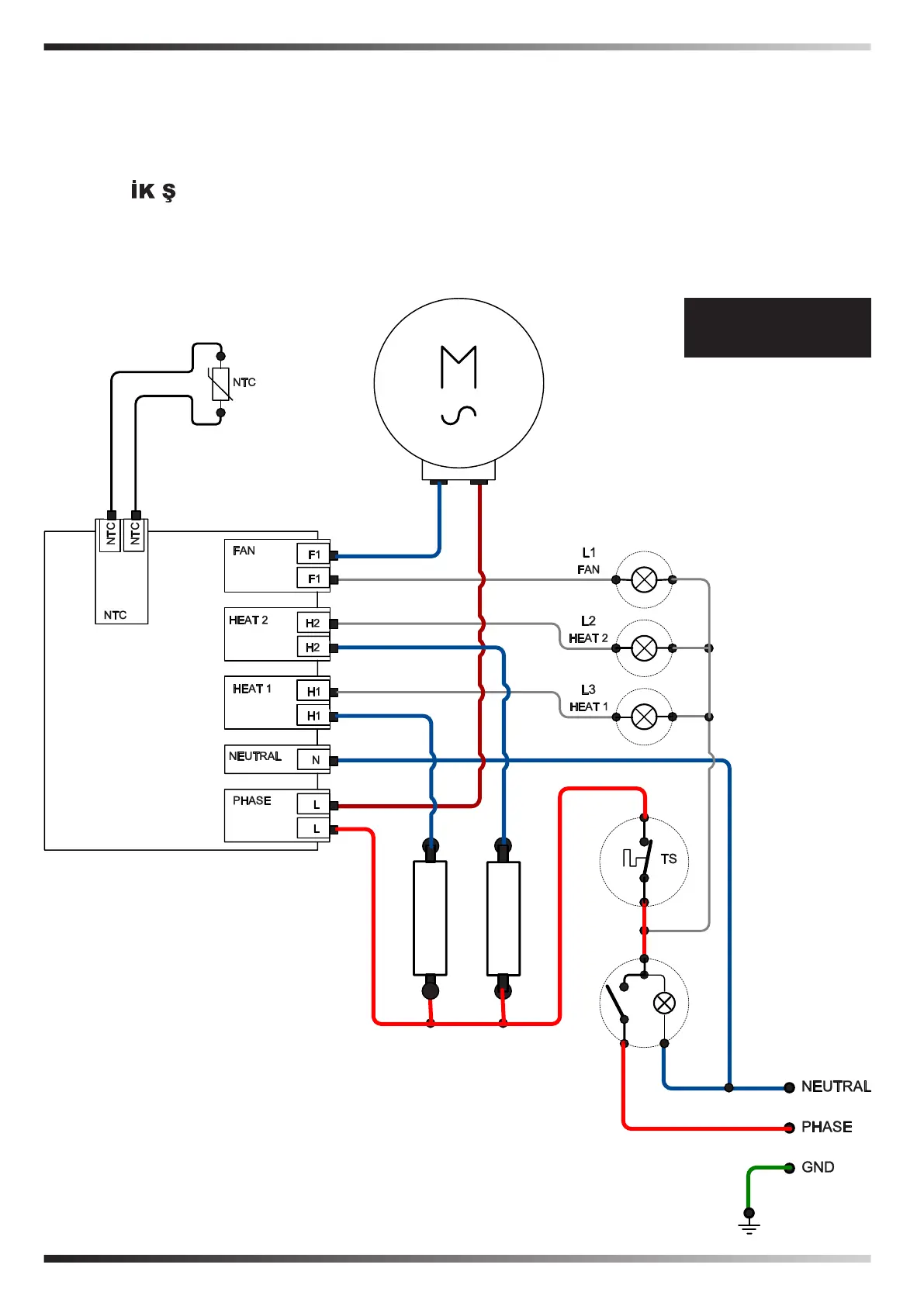
WIRING DIAGRAMS - SCHEMI ELETTRICI - SCHALTPLÄNE - ESQUEMAS ELÉC-
TRICOS - SCHEMAS ELECTRIQUES - ELEKTRISCHE SCHEMA’S - ESQUEMA
ELÉTRICO - ELEKTRISKE SKEMAER - SÄHKÖKAAVIOT - KOPLINGSSKJEMA -
ELEKTRISKA KOPPLINGSSCHEMAN - SCHEMATY ELEKTRYCZNE - ЭЛЕКТРИ-
ЧЕСКИЕ СХЕМЫ - ELEKTRICKÁ SCHÉMATA - VILLANYBEKÖTÉSI RAJZOK -
ELEKTR EMALARI - ELEKTRİK ŞEMASI - ELEKTRIČNE SHEME - ELEKTROS
SCHEMOS - ELEKTRISKĀS SHĒMAS - ELEKTRISKEEMID - SCHEME ELEC-
TRICE - ELEKTRICKÉ SCHÉMY - ЕЛЕКТРИЧЕСКИ СХЕМИ - ЕЛЕКТРОСХЕМА -
ELEKTRIČNA ŠEMA - ΗΛΕΚΤΡΙΚΟ ΣΧΗΜΑ - 线路图线路图 - ЭЛЕКТРЛІ СҮЛБЕЛЕР
TR 3D
Bekijk gratis de handleiding van Master TR 9D, stel vragen en lees de antwoorden op veelvoorkomende problemen, of gebruik onze assistent om sneller informatie in de handleiding te vinden of uitleg te krijgen over specifieke functies.
Productinformatie
Merk | Master |
Model | TR 9D |
Categorie | Heater |
Taal | Nederlands |
Grootte | 14709 MB |