Master TH 5 handleiding
Handleiding
Je bekijkt pagina 70 van 80

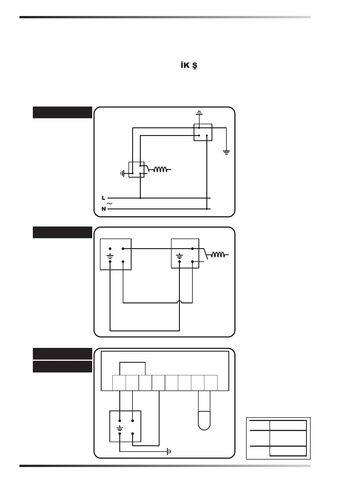
WIRING DIAGRAMS - SCHEMI ELETTRICI - SCHALTPLÄNE - ESQUEMAS
ELÉCTRICOS - SCHEMAS ELECTRIQUES - ELEKTRISCHE SCHEMA’S - ESQUE-
MAS ELÉCTRICOS - ELEKTRISKE SKEMAER - SÄHKÖKAAVIOT - KOPLINGS-
SKJEMA - ELEKTRISKA KOPPLINGSSCHEMAN - SCHEMATY ELEKTRYCZNE
- ЭЛЕКТРИЧЕСКИЕ СХЕМЫ - ELEKTRICKÁ SCHÉMATA - VILLANYBEKÖTÉSI
RAJZOK - ELEKTRIČNE SHEME - ELEKTR EMALARI - ELEKTRIČNE SH-
EME - ELEKTROS SCHEMOS - ELEKTRISKĀS SHĒMAS - ELEKTRISKEEMID
- SCHEME ELECTRICE - ELEKTRICKÉ SCHÉMY - ЕЛЕКТРИЧЕСКИ СХЕМИ
- ЕЛЕКТРИЧНІ СХЕМИ - ELEKTRIČNE ŠEME - ΗΛΕΚΤΡΙΚΑ ΣΧΕΔΙΑ - 线路图 -
ЭЛЕКТРЛІ СҮЛБЕЛЕР
N
P
1
L
SP
TA
1
2
3
P
1
SP
TA
L N 3 4 5 6 7 8
12
3
SP
SO
SO
SO
N
P
1
L
SP
TA
1
2
3
P
1
SP
TA
L N 3 4 5 6 7 8
12
3
SP
SO
SO
SO
N
P
1
L
SP
TA
1
2
3
P
1
SP
TA
L N 3 4 5 6 7 8
12
3
SP
SO
SO
SO
MODEL 1
MODEL 2
MODEL 3
MODEL 4
SP
Plug
TA
Ambient
thermostat
SO
Sonde
Bekijk gratis de handleiding van Master TH 5, stel vragen en lees de antwoorden op veelvoorkomende problemen, of gebruik onze assistent om sneller informatie in de handleiding te vinden of uitleg te krijgen over specifieke functies.
Productinformatie
| Merk | Master |
| Model | TH 5 |
| Categorie | Niet gecategoriseerd |
| Taal | Nederlands |
| Grootte | 10650 MB |






