Martin Audio MA5.2K DSP handleiding

42 pagina's
PDF beschikbaar

Handleiding

Je bekijkt pagina 39 van 42
All material © 2010 Martin Audio Ltd. Subject to change without notice 38
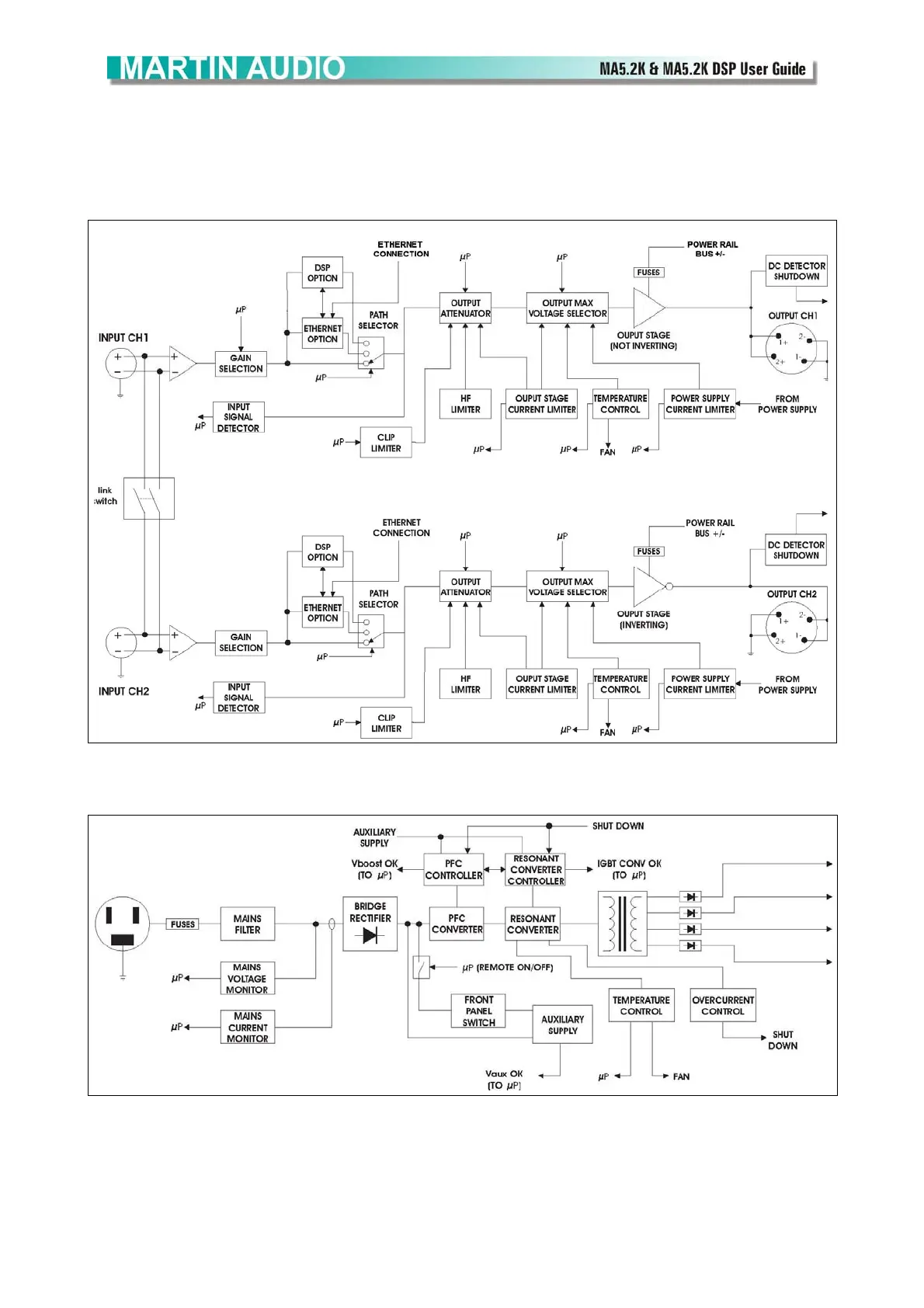
7 Technical notes
7.1 Block diagram
The illustrations below show the output stage block diagram and the power supply block diagram.

Bekijk gratis de handleiding van Martin Audio MA5.2K DSP, stel vragen en lees de antwoorden op veelvoorkomende problemen, of gebruik onze assistent om sneller informatie in de handleiding te vinden of uitleg te krijgen over specifieke functies.

Productinformatie

MerkMartin Audio
ModelMA5.2K DSP
CategorieNiet gecategoriseerd
TaalNederlands
Grootte13323 MB