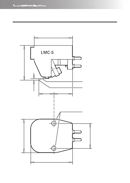
Luxman LMC-5 handleiding
Handleiding
Bekijk gratis de handleiding van Luxman LMC-5, stel vragen en lees de antwoorden op veelvoorkomende problemen, of gebruik onze assistent om sneller informatie in de handleiding te vinden of uitleg te krijgen over specifieke functies.
Productinformatie
| Merk | Luxman |
| Model | LMC-5 |
| Categorie | Niet gecategoriseerd |
| Taal | Nederlands |
| Grootte | 2240 MB |




