Luxman LMC-5 handleiding

32 pagina's
PDF beschikbaar

Handleiding

Je bekijkt pagina 22 van 32
20
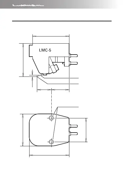
Dimensions and Names
Side view
18.3
1.5
9.5
7.6
19.5
21.3
17
12.7
Cantilever
Output terminals
Stylus tip
Threaded holes
(M2.6)
Top view
[mm]

Bekijk gratis de handleiding van Luxman LMC-5, stel vragen en lees de antwoorden op veelvoorkomende problemen, of gebruik onze assistent om sneller informatie in de handleiding te vinden of uitleg te krijgen over specifieke functies.

Productinformatie

MerkLuxman
ModelLMC-5
CategorieNiet gecategoriseerd
TaalNederlands
Grootte2240 MB