Handleiding
Je bekijkt pagina 25 van 52

Before you alter, activate or deactivate the appliance
functions, make sure that the following requirements
are met:
q
You have read and understood the descriptions of
how the display works. (see 3 Functionality of the
Touch display)
q
You have familiarized yourself with the operating
and display elements of your appliance.
(see6.1 Control and display elements)
6.2.2 Switching appliance on and off
Using this setting the entire appliance can be switched
on and off.
Switching on the appliance
Without activated DemoMode:
Fig.65
u
Carry out action steps according to the illustration.
With activated DemoMode:
Fig.66
u
Carry out action steps according to the illustration.
Note
Deactivate DemoMode before the countdown finishes.
Fig. 67
w
The temperature appears on the display.
Switching off the appliance
Fig.68
Fig. 69
u
Carry out action steps according to the illustration.
w
Standby symbol is shown in the display.
w
Display switches off after approximately 10 minutes.
6.2.3 Temperature
The temperature depends on the following factors:
-
How often the door is opened
-
How long the door is open for
-
The room temperature of the installation site
-
The type, temperature and amount of frozen items
Note
The temperature may differ from the temperature
displayed in some areas of the interior.
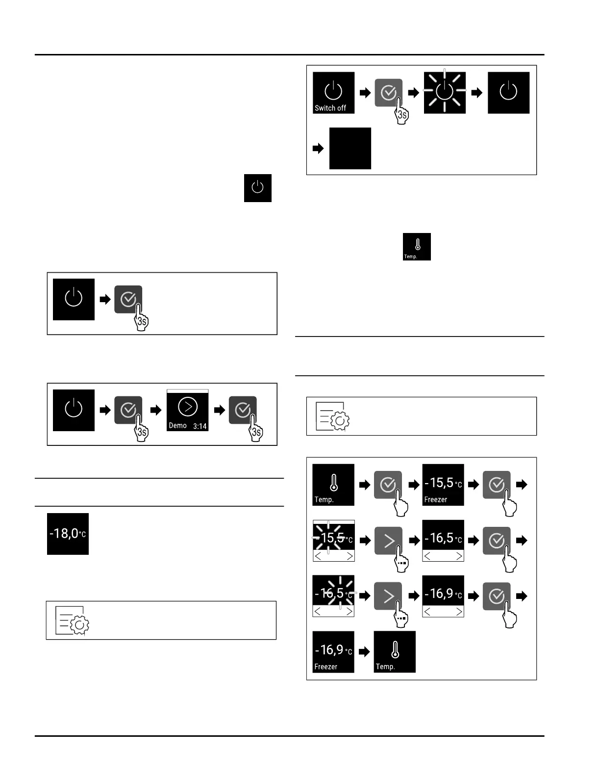
Setting the temperature
Fig.70
Fig. 71 Changing temperature from -15.5°C(4°F) to
-16.9°C(2°F)
u
Carry out action steps according to the illustration.
Use
* Depending on model and options 25
Bekijk gratis de handleiding van Liebherr SFTfg 1501 Performance, stel vragen en lees de antwoorden op veelvoorkomende problemen, of gebruik onze assistent om sneller informatie in de handleiding te vinden of uitleg te krijgen over specifieke functies.
Productinformatie
| Merk | Liebherr |
| Model | SFTfg 1501 Performance |
| Categorie | Vriezer |
| Taal | Nederlands |
| Grootte | 6773 MB |







