Handleiding
Je bekijkt pagina 36 van 42

将电池与旧设备分开进行废弃处
理。您可以将电池免费退回给零售
商以及回收和废物处理中心。
灯 通过相应的收集系统对拆下的灯进
行废弃处理。
对于德国: 可以使用 1 类收集箱在当地回收/
废物处理中心免费对设备进行废弃
处理。购买新的冰箱/冰柜时,如
果销售面积 > 400 m
2
,也可以免
费通过零售商收回旧冰箱。
警告
制冷剂和机油泄漏!
火灾。所含有的制冷剂是环保的,但易燃。所含机油也是易燃
的。泄漏的制冷剂和油会在相应的高浓度下与外部热源接触时
可能引燃。
u
不要损坏制冷剂回路或压缩机的管道。
u
注意冰箱运输提示。 (参见 4.3运输设备)
u
将设备完好地运走。
u
根据上述要求对电池、灯和设备进行废弃处理。
12 附加信息
有关保修条件的更多信息,请参阅随附的服务手册或通过互联
网 https://home.liebherr.com 查看。
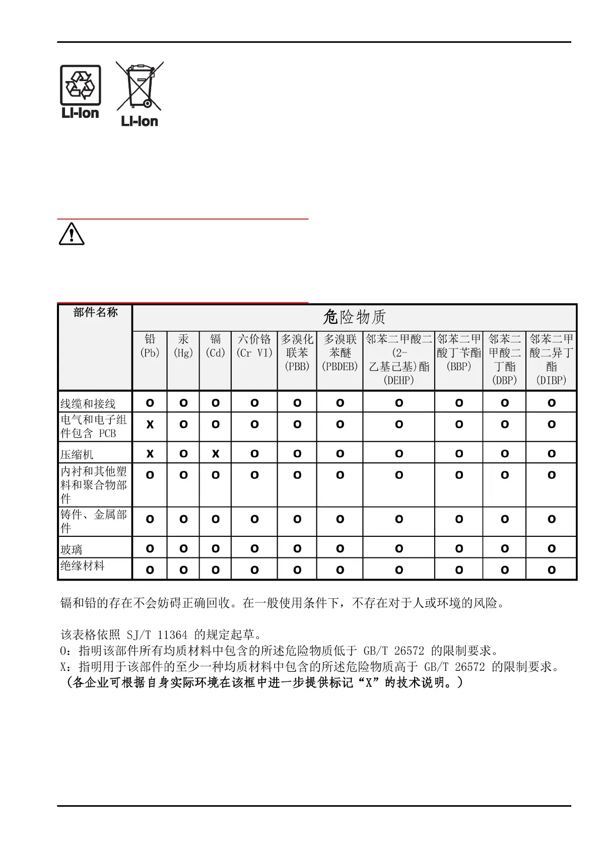
13 产品中有害物质的名称及含量
附加信息
36 * 按冰箱型号配置
Bekijk gratis de handleiding van Liebherr SFPvg 1402 Performance, stel vragen en lees de antwoorden op veelvoorkomende problemen, of gebruik onze assistent om sneller informatie in de handleiding te vinden of uitleg te krijgen over specifieke functies.
Productinformatie
| Merk | Liebherr |
| Model | SFPvg 1402 Performance |
| Categorie | Vriezer |
| Taal | Nederlands |
| Grootte | 8846 MB |







