Lavor AC38 handleiding

20 pagina's
PDF beschikbaar

Handleiding

Je bekijkt pagina 9 van 20
7
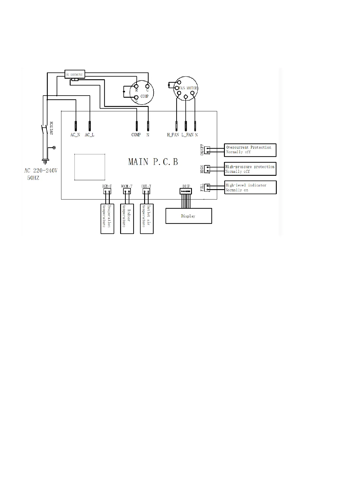
3. Electrical Schematic Diagram

Bekijk gratis de handleiding van Lavor AC38, stel vragen en lees de antwoorden op veelvoorkomende problemen, of gebruik onze assistent om sneller informatie in de handleiding te vinden of uitleg te krijgen over specifieke functies.

Productinformatie

MerkLavor
ModelAC38
CategorieAirco
TaalNederlands
Grootte2927 MB