Lavex 842HT122ST12 handleiding

40 pagina's
PDF beschikbaar

Handleiding

Je bekijkt pagina 22 van 40
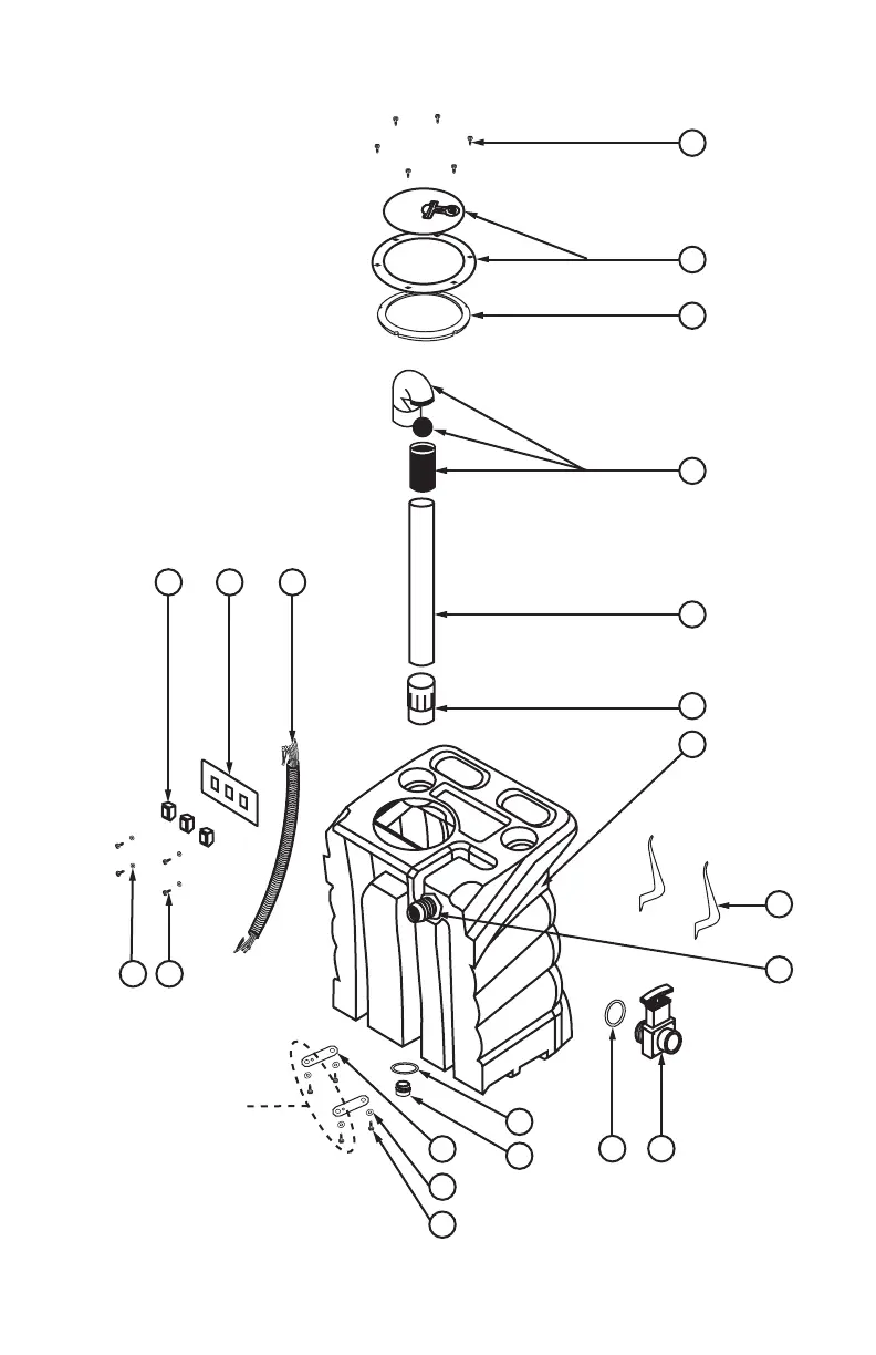
14.0 Recovery Tank Schematic Drawing – Non-Heated
(22) Lavex 12-Gallon, 100 PSI Carpet Extractor
PARTS ATTACHED TO
SOLUTION TANK
1
2
3
7
20
21
8
9
10
11 12
13
14
15
16
17
18 19
5
6
4

Bekijk gratis de handleiding van Lavex 842HT122ST12, stel vragen en lees de antwoorden op veelvoorkomende problemen, of gebruik onze assistent om sneller informatie in de handleiding te vinden of uitleg te krijgen over specifieke functies.

Productinformatie

MerkLavex
Model842HT122ST12
CategorieNiet gecategoriseerd
TaalNederlands
Grootte3914 MB