Handleiding
Je bekijkt pagina 38 van 137

38
© 2021 KOSTAL Solar Electric GmbH
Installation
Overview
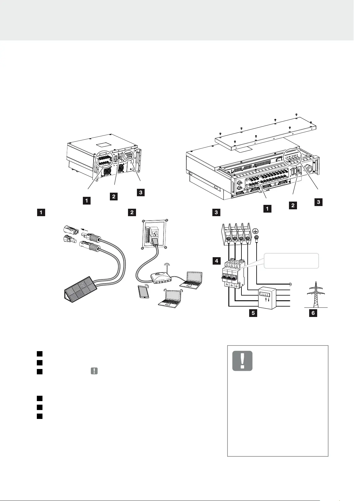
Fig. 15: Overview of electrical connections
Inverter connections
1
Connections for PV modules
2
Communication connections
3
AC connection
External connections
4
Line circuit breaker
5
Energy meters (e.g. KOSTAL Smart Energy Meter)
6
Public grid
DC
AC
DC
AC
COM
COM
PIKO CI 30 PIKO CI 50/60
+
-
PV..
PV..
LAN
L1|L2|L3|N PE
L2
L1
L3
N
PE
63 A - PIKO CI 30
125 A - PIKO CI 50/60
DC: COM: AC:
IMPORTANT
INFORMATION
Make sure that the phases of the
AC terminal and in the mains sup-
ply match.
This product may generate a direct
current in the outer protective
earthing conductor. If protective
residual current devices (RCD) or
residual current monitoring devices
(RCM) are used, only type B RCDs
or RCMs are permitted on the AC
side.
3.4 Electrical connection
3
2
3
4
5
6
7
8
9
10
1
Bekijk gratis de handleiding van Kostal Piko CI 60, stel vragen en lees de antwoorden op veelvoorkomende problemen, of gebruik onze assistent om sneller informatie in de handleiding te vinden of uitleg te krijgen over specifieke functies.
Productinformatie
| Merk | Kostal |
| Model | Piko CI 60 |
| Categorie | Airco |
| Taal | Nederlands |
| Grootte | 13606 MB |

