Kool-It KOM-36SS handleiding

8 pagina's
PDF beschikbaar

Handleiding

Je bekijkt pagina 8 van 8
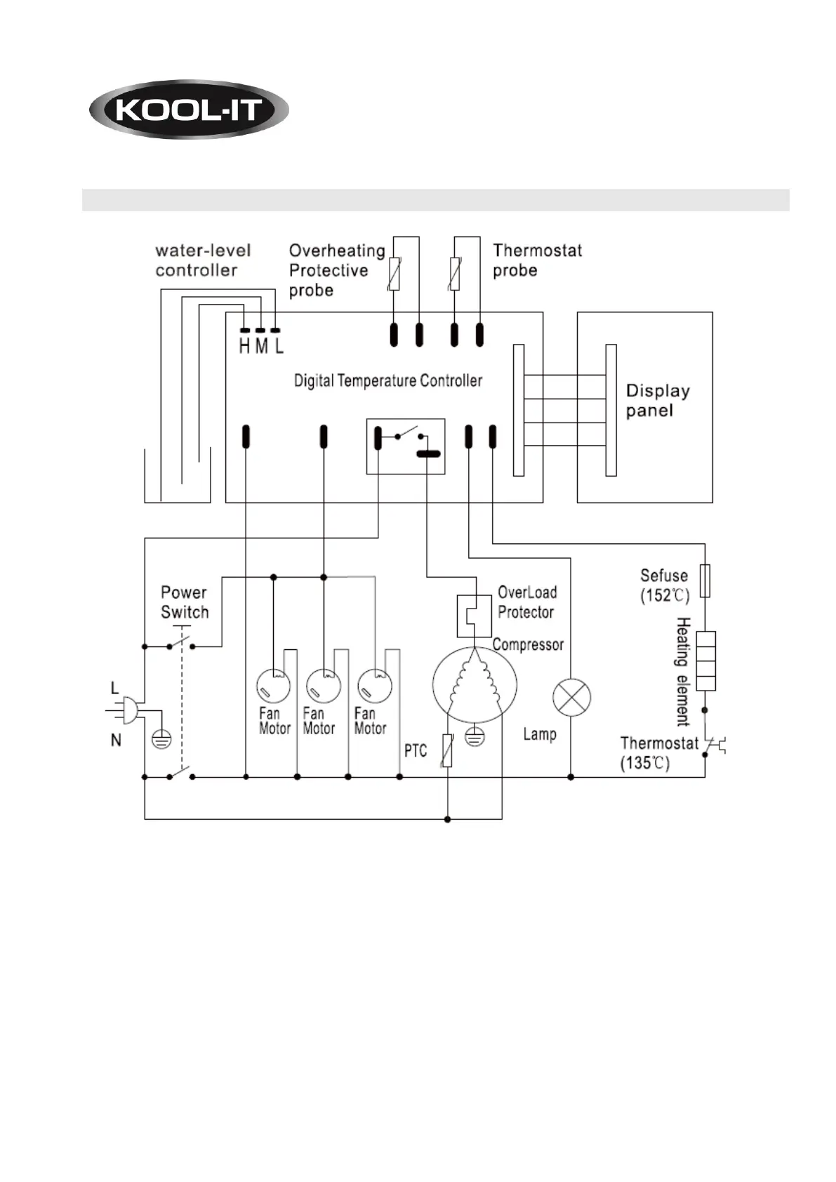
Circuit Diagram

Bekijk gratis de handleiding van Kool-It KOM-36SS, stel vragen en lees de antwoorden op veelvoorkomende problemen, of gebruik onze assistent om sneller informatie in de handleiding te vinden of uitleg te krijgen over specifieke functies.

Productinformatie

MerkKool-It
ModelKOM-36SS
CategorieKoelkast
TaalNederlands
Grootte1705 MB