Kool-It KGF-72 handleiding

12 pagina's
PDF beschikbaar

Handleiding

Je bekijkt pagina 10 van 12
Service and Installation Manual
18
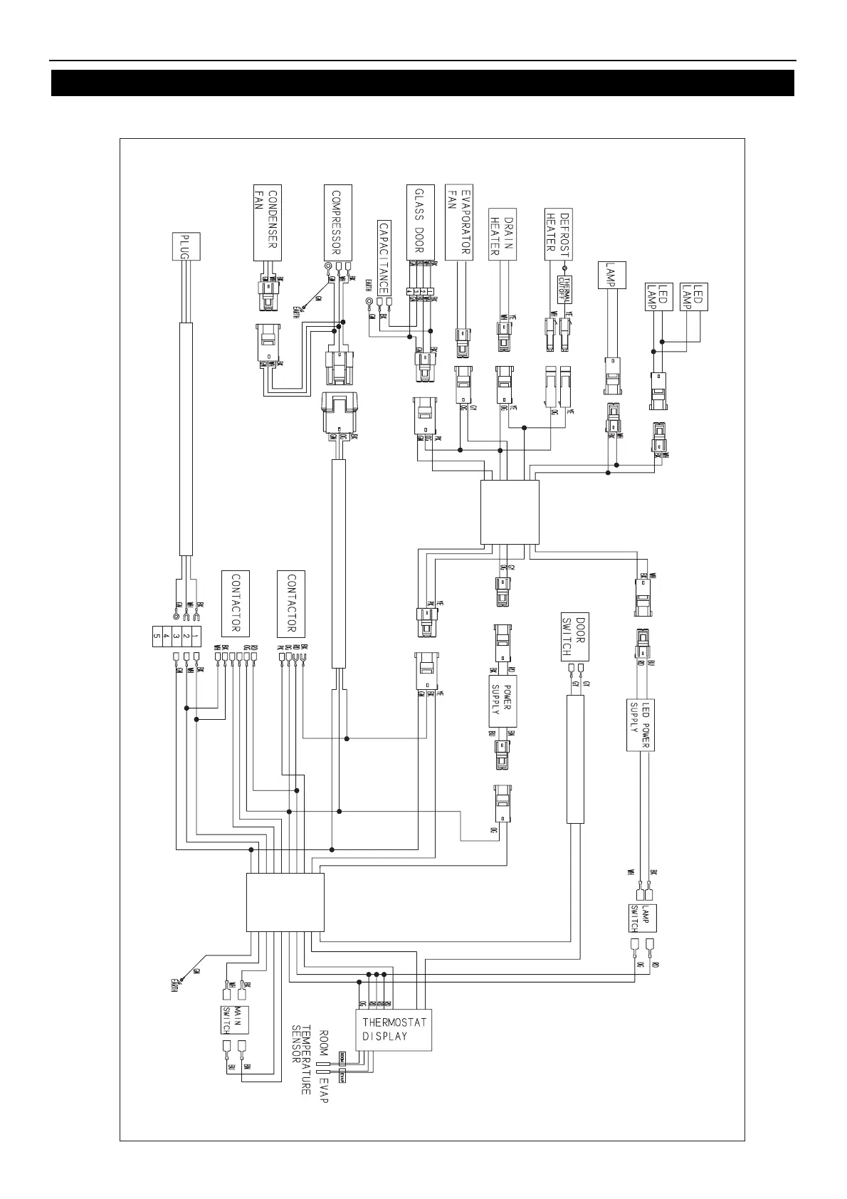
WIRING DIAGRAM
MODEL: KGF-23

Bekijk gratis de handleiding van Kool-It KGF-72, stel vragen en lees de antwoorden op veelvoorkomende problemen, of gebruik onze assistent om sneller informatie in de handleiding te vinden of uitleg te krijgen over specifieke functies.

Productinformatie

MerkKool-It
ModelKGF-72
CategorieVriezer
TaalNederlands
Grootte2073 MB