Jung SITMA5073 handleiding
Handleiding
Je bekijkt pagina 68 van 140

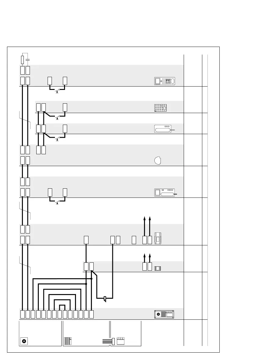
6.2 Installation audio & video
Siedle Vario
ERT ERT ERT
ERT
BVNG 650-...TR 603-...
BTSV 850-... BFCV 850-...
BTLM
BCM
BTM
IN
Ta KTaMTa MTaM Ta ETaD
Ta Ta Ta
Ta MTaM
TbMTbM TbM TbE TbD
Tb Tb Tb
TbMTbMTbK
Ta K
Ta
Ta
c
GND
GND
c
c
b
Vc
Vc
b
bTö
Tö
Li
Li
NN
L1L1
TbK
Tb
Tb
ERT
ETb
ETb
ERT
BTS 850-...
BAA 650-...
ERTERT
a) b)c) d)d) d) d) e)
230 V AC
230 V AC
Siedle Vario
BCM 653-...
BTLM 650-...
BTM 650-...
Tö 12 V AC
min. 20 Ohm
AIB 150-...
Remarks
Device
requirement
68
Bekijk gratis de handleiding van Jung SITMA5073, stel vragen en lees de antwoorden op veelvoorkomende problemen, of gebruik onze assistent om sneller informatie in de handleiding te vinden of uitleg te krijgen over specifieke functies.
Productinformatie
| Merk | Jung |
| Model | SITMA5073 |
| Categorie | Niet gecategoriseerd |
| Taal | Nederlands |
| Grootte | 13662 MB |





