Jung SITMA5073 handleiding
Handleiding
Je bekijkt pagina 134 van 140

8 Supplementary functions
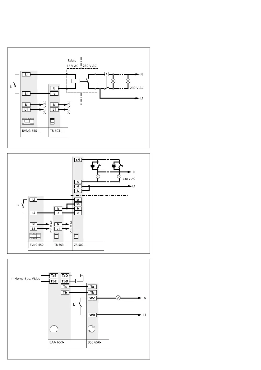
Staircase light/Outside light
Outside light
230 V AC
Light actuation
The light button in the bus indoor
devices or BTLM650-… is used to
actuate the light contact in the bus
line rectier BNG/BVNG650-….
Following completion of the instal-
lation, this function is active without
any further programming.
To actuate the staircase and/or
outside light, according to VDE
regulations a light current relay or
time relay (e.g.ZR502-…) must be
interconnected.
Light actuation
Actuation of an additional lamp
via BSE650-… Max. contact load
230VAC, 6A.
134
Bekijk gratis de handleiding van Jung SITMA5073, stel vragen en lees de antwoorden op veelvoorkomende problemen, of gebruik onze assistent om sneller informatie in de handleiding te vinden of uitleg te krijgen over specifieke functies.
Productinformatie
| Merk | Jung |
| Model | SITMA5073 |
| Categorie | Niet gecategoriseerd |
| Taal | Nederlands |
| Grootte | 13662 MB |





