Juki MF-3580 handleiding
Handleiding
Je bekijkt pagina 148 van 440

− 14 −
(2) Ohne Differentialtransportt (MS-3580SF/0SN)
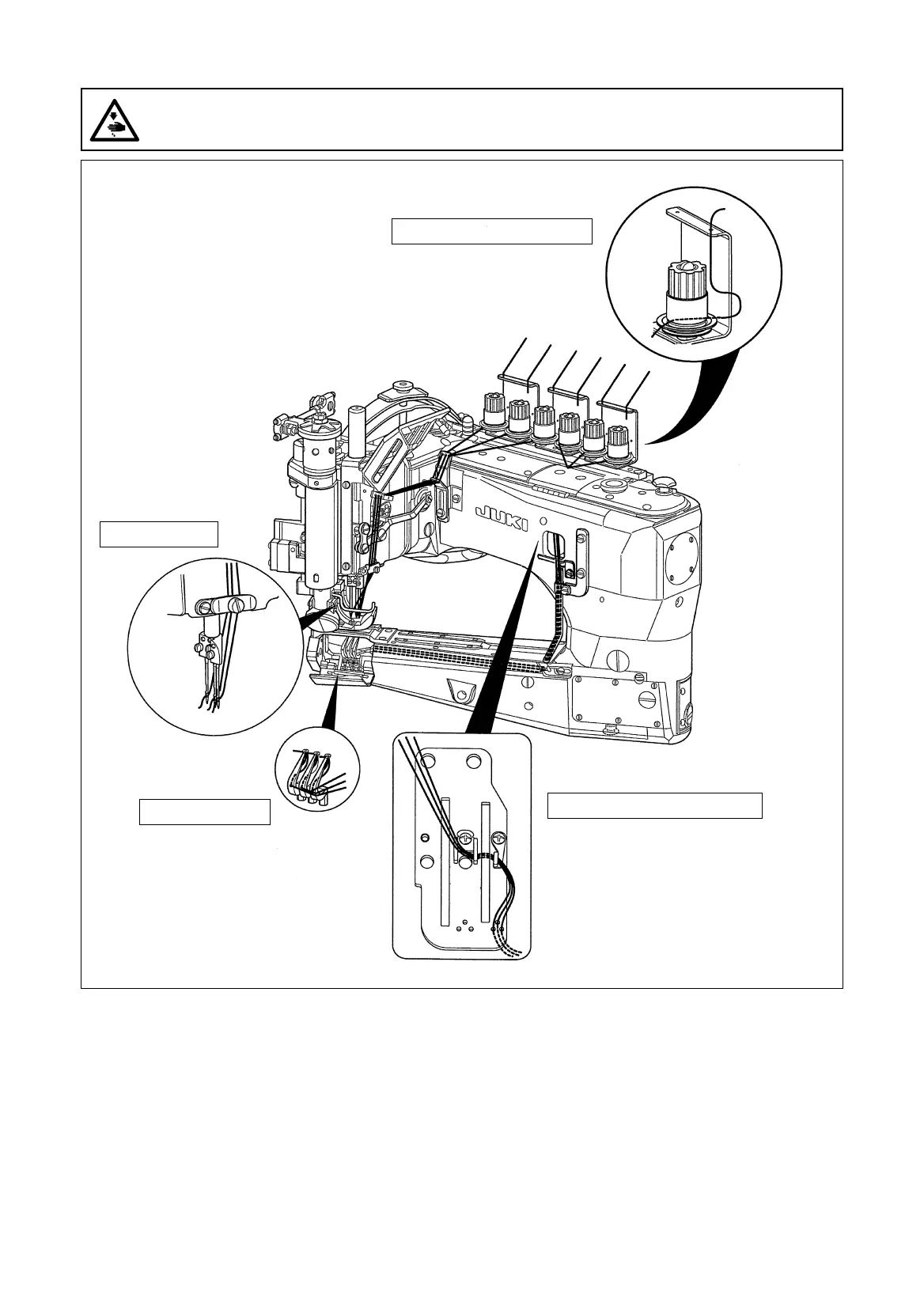
1) Einfädeldiagramm für Maschine ohne Differentialtransport
Nadelfaden :
1
für linken Nadelfaden,
2
für mittleren Nadelfaden,
3
für rechten Nadelfaden
Greifer :
4
für vorderen Greifer,
5
für mittleren Greifer,
6
für hinteren Greifer
Das Einfädeln gemäß dem Einfädeldiagramm durchführen.
WARNUNG :
Schalten Sie vor Beginn der Arbeit die Stromversorgung aus, um durch plötzliches Anlaufen der
Nähmaschine verursachte Unfälle zu verhüten.
Nadelabschnitt
Greiferabschnitt
Greiferfadennockenabschnitt
Fadenspannungsabschnitt
1
2
3
4
5
6
2
3
1
6
5
4
Bekijk gratis de handleiding van Juki MF-3580, stel vragen en lees de antwoorden op veelvoorkomende problemen, of gebruik onze assistent om sneller informatie in de handleiding te vinden of uitleg te krijgen over specifieke functies.
Productinformatie
| Merk | Juki |
| Model | MF-3580 |
| Categorie | Naaimachine |
| Taal | Nederlands |
| Grootte | 79694 MB |







