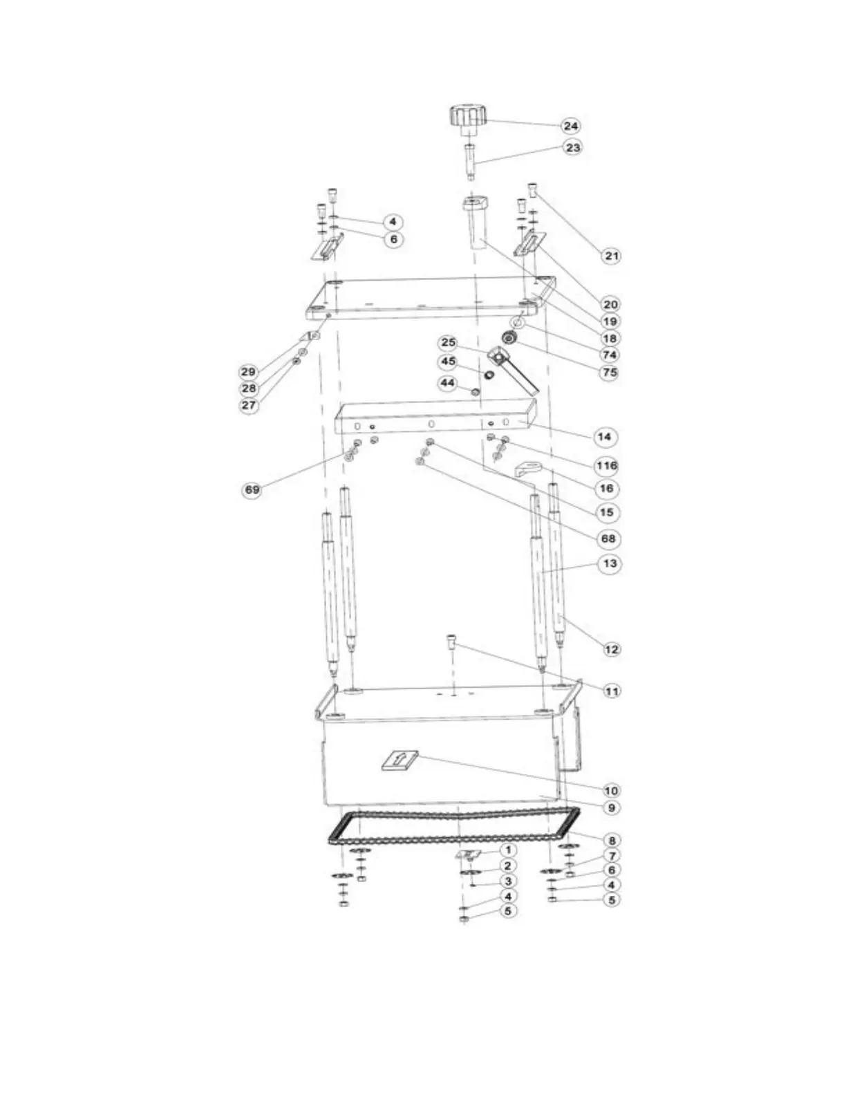
JET JJP-10BTOS handleiding
Handleiding
Bekijk gratis de handleiding van JET JJP-10BTOS, stel vragen en lees de antwoorden op veelvoorkomende problemen, of gebruik onze assistent om sneller informatie in de handleiding te vinden of uitleg te krijgen over specifieke functies.
Productinformatie
| Merk | JET |
| Model | JJP-10BTOS |
| Categorie | Niet gecategoriseerd |
| Taal | Nederlands |
| Grootte | 10551 MB |








