JET JCDC-3 handleiding

20 pagina's
PDF beschikbaar

Handleiding

Je bekijkt pagina 18 van 20
18
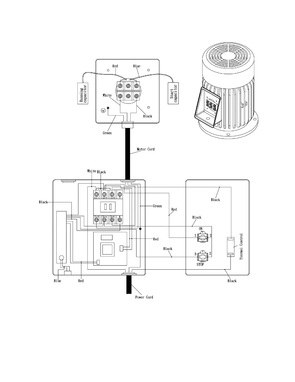
12.0 Electrical Connections – JCDC-3

Bekijk gratis de handleiding van JET JCDC-3, stel vragen en lees de antwoorden op veelvoorkomende problemen, of gebruik onze assistent om sneller informatie in de handleiding te vinden of uitleg te krijgen over specifieke functies.

Productinformatie

MerkJET
ModelJCDC-3
CategorieNiet gecategoriseerd
TaalNederlands
Grootte3796 MB