JET JCDC-1.5 handleiding

20 pagina's
PDF beschikbaar

Handleiding

Je bekijkt pagina 15 van 20
15
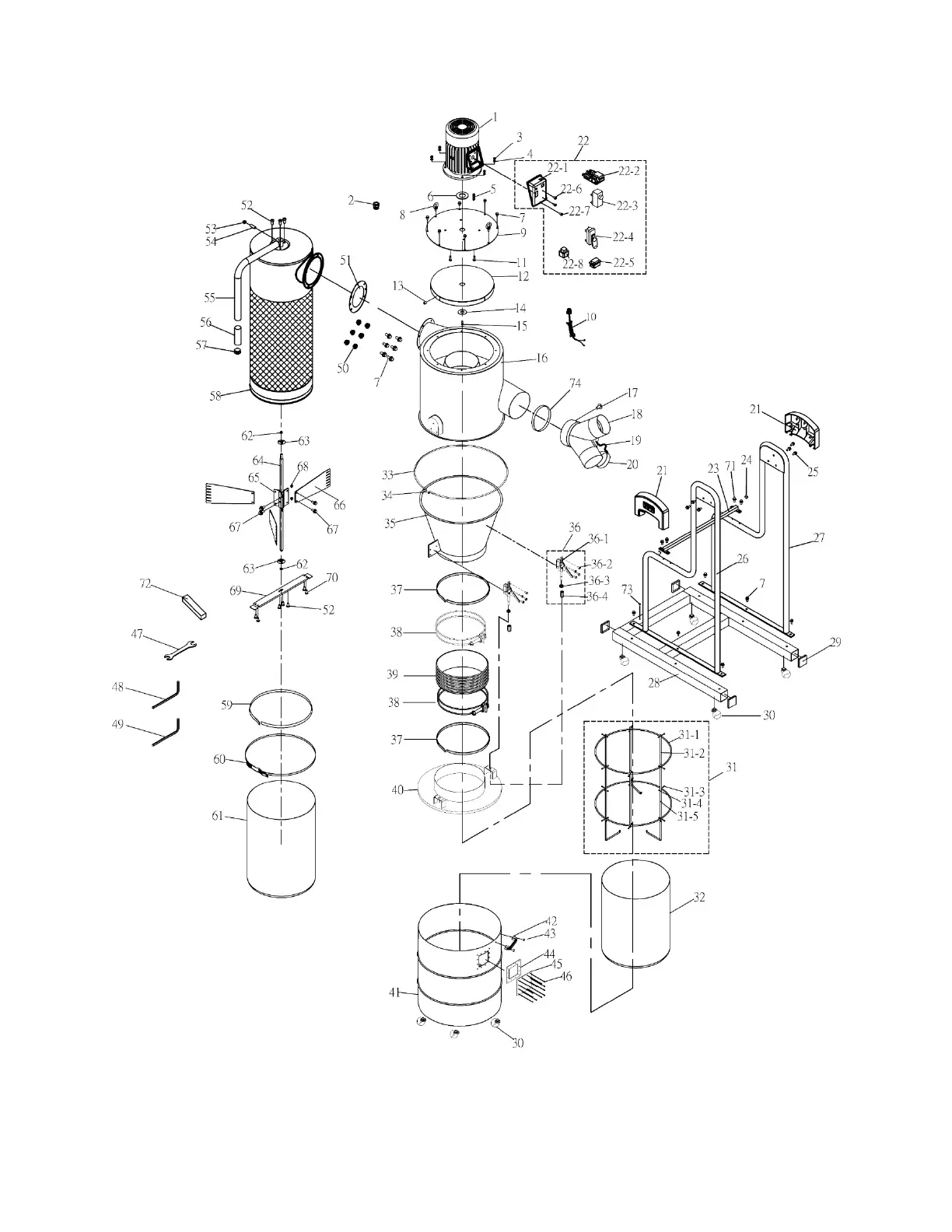
11.1.1 JCDC-1.5 Cyclone Dust Collector – Exploded View

Bekijk gratis de handleiding van JET JCDC-1.5, stel vragen en lees de antwoorden op veelvoorkomende problemen, of gebruik onze assistent om sneller informatie in de handleiding te vinden of uitleg te krijgen over specifieke functies.

Productinformatie

MerkJET
ModelJCDC-1.5
CategorieNiet gecategoriseerd
TaalNederlands
Grootte3567 MB