Jackson RackStar 44 handleiding

80 pagina's
PDF beschikbaar

Handleiding

Je bekijkt pagina 72 van 80
65
07610-004-33-05-B
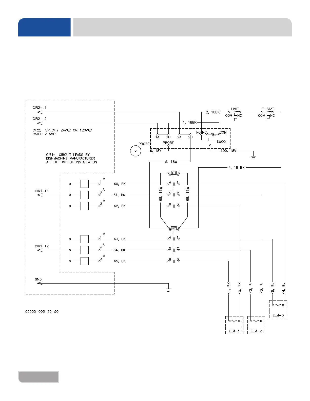
USE THIS SCHEMATIC FOR THE FOLLOWING BOOSTER HEATER OPTIONS:
208V, 60Hz, 1-Phase, 18 kW, 70° Rise
230V, 60Hz, 1-Phase, 18 kW, 70° Rise
BOOSTER HEATER, 1-PHASE, 18kW
SCHEMATICS

Bekijk gratis de handleiding van Jackson RackStar 44, stel vragen en lees de antwoorden op veelvoorkomende problemen, of gebruik onze assistent om sneller informatie in de handleiding te vinden of uitleg te krijgen over specifieke functies.

Productinformatie

MerkJackson
ModelRackStar 44
CategorieVaatwasser
TaalNederlands
Grootte11878 MB