Jackson RackStar 44 handleiding
Handleiding
Je bekijkt pagina 70 van 80

63
07610-004-33-05-B
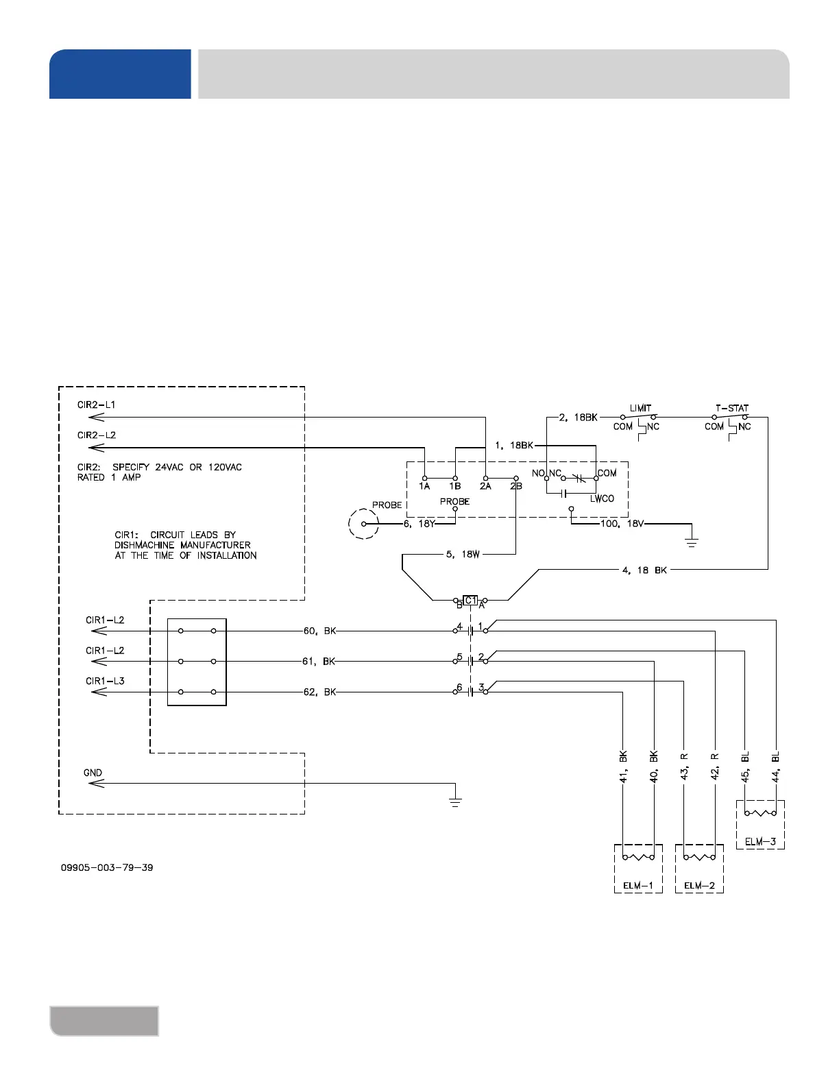
USE THIS SCHEMATIC FOR THE FOLLOWING BOOSTER HEATER OPTIONS:
• 208V, 60Hz, 3-Phase, 12 kW, 40° Rise
• 230V, 60Hz, 3-Phase, 12 kW, 40° Rise
• 460V, 60Hz, 3-Phase, 12 kW, 40° Rise
• 208V, 60Hz, 3-Phase, 18 kW, 70° Rise
• 230V, 60Hz, 3-Phase, 18 kW, 70° Rise
• 460V, 60Hz, 3-Phase, 18 kW, 70° Rise
BOOSTER HEATER, 3-PHASE
SCHEMATICS
Bekijk gratis de handleiding van Jackson RackStar 44, stel vragen en lees de antwoorden op veelvoorkomende problemen, of gebruik onze assistent om sneller informatie in de handleiding te vinden of uitleg te krijgen over specifieke functies.
Productinformatie
| Merk | Jackson |
| Model | RackStar 44 |
| Categorie | Vaatwasser |
| Taal | Nederlands |
| Grootte | 11878 MB |







