Jackson DishStar HT handleiding

78 pagina's
PDF beschikbaar

Handleiding

Je bekijkt pagina 74 van 78
07610-004-37-13-S
67
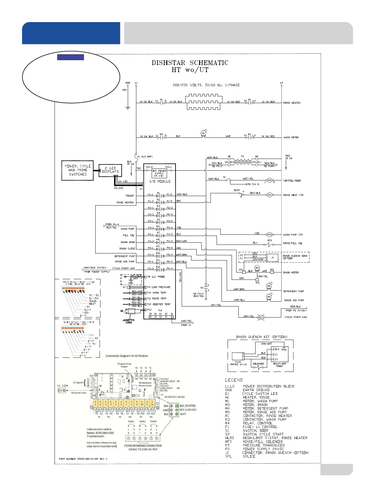
SCHEMATICS
DISHSTAR HT
Machines with serial
numbers before 23D415452
have a different schematic.
Click here to open earlier
manual.
NOTICE

Bekijk gratis de handleiding van Jackson DishStar HT, stel vragen en lees de antwoorden op veelvoorkomende problemen, of gebruik onze assistent om sneller informatie in de handleiding te vinden of uitleg te krijgen over specifieke functies.

Productinformatie

MerkJackson
ModelDishStar HT
CategorieVaatwasser
TaalNederlands
Grootte11176 MB