Jackson DishStar ADA-SEER handleiding

60 pagina's
PDF beschikbaar

Handleiding

Je bekijkt pagina 59 van 60
07610-004-99-71-B
52
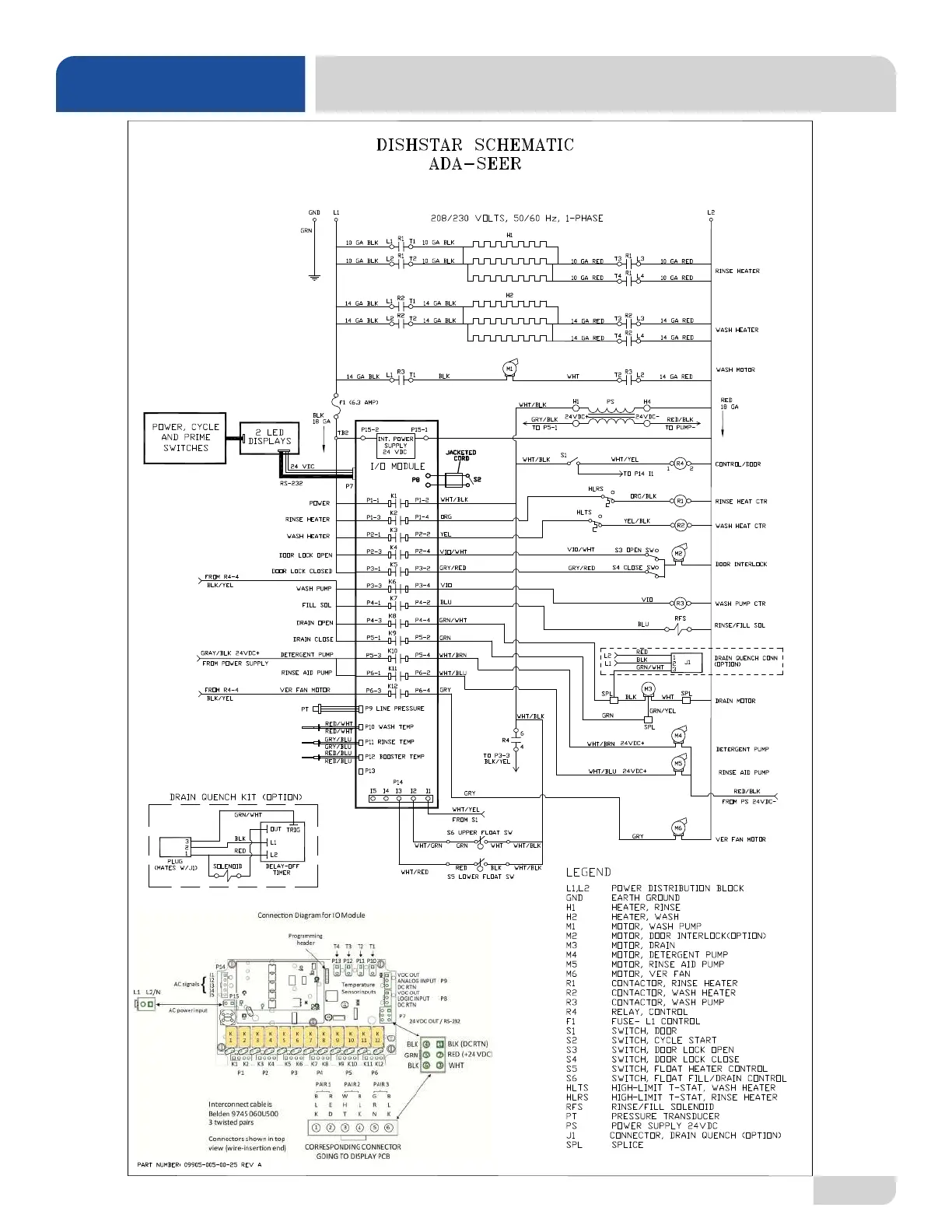
SCHEMATICS
208/230 V, 50/60 HZ, 1-PHASE

Bekijk gratis de handleiding van Jackson DishStar ADA-SEER, stel vragen en lees de antwoorden op veelvoorkomende problemen, of gebruik onze assistent om sneller informatie in de handleiding te vinden of uitleg te krijgen over specifieke functies.

Productinformatie

MerkJackson
ModelDishStar ADA-SEER
CategorieVaatwasser
TaalNederlands
Grootte7542 MB