Intergas Xclusive 36 handleiding
Handleiding
Je bekijkt pagina 26 van 92

26
X15
(24V=)
X14
X13
(24V =)
X12
(24V =)
X11
(24V =)
N/A
X10
(24V =)
N/A
X8
(230V ~)
X5
(230V ~)
X4
(230V ~)
X3
(230V ~)
X2
(230V ~)
X1
(230V ~)
F1 (3,15 AT)
FUSE
23 1234
34
5 1
24V=
230V
Zone Valve
D H W
V4043H
Room
thermostat
230Vac 3amp
Switched
Fused Spur
Wiring Centre
Zone Valve
C/HEATING
V4043H
Twin channel
Programmer
L
N
HTG on
EARTH
S/LIVE (DHW)
S/LIVE (HTG)
P/LIVE
P/LIVE
M/V S/L
NEUTRAL
G/YELLOW
L N
Cylinder
thermostat
BLUE
M/V S/L
DHW on
2
1
3
1
C
1 2
3 4 5 6 7 8 9 10
DHW S/L
HTG S/L
Outdoor Sensor S6
Relay Coil
N/C COM
50051W
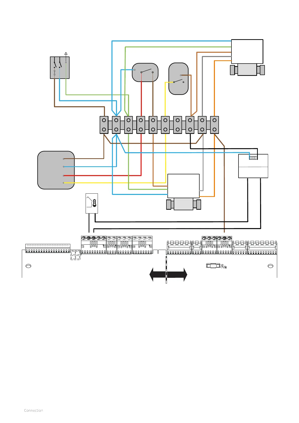
7.1.8 S-Plan wiring diagram (With outside weather compensation kit)
LIVE SUPPLY
S/LIVE (BOILER)
Note:-
With all wiring diagrams when using a digital type room thermostat the Neutral wire from the
wiring centre (2) to room thermostat (2) will not be required.
Bekijk gratis de handleiding van Intergas Xclusive 36, stel vragen en lees de antwoorden op veelvoorkomende problemen, of gebruik onze assistent om sneller informatie in de handleiding te vinden of uitleg te krijgen over specifieke functies.
Productinformatie
| Merk | Intergas |
| Model | Xclusive 36 |
| Categorie | Niet gecategoriseerd |
| Taal | Nederlands |
| Grootte | 12726 MB |




