Intergas Xclusive 36 handleiding
Handleiding
Je bekijkt pagina 23 van 92

23
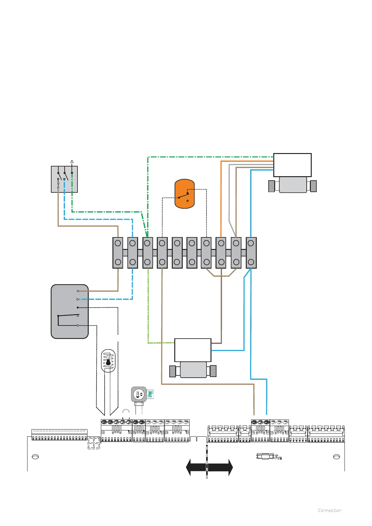
7.1.5 X-Plan wiring diagram (Unvented cylinder option)
Comments
► The unvented cylinder must comply with G3 regulations regarding
the safety controls which are normally supplied as a kit with the
vessel.
► The over heat protection (with manual reset) is wired through our
OpenTherm circuit to prevent the boiler from creating a hot water
demand should this safety control operate.
► For rapid recovery a 30 kW rated coil or greater is recommended
(this should be specified when ordering your vessel).
Parameter P001 change to option 1
Parameter P081 change to option 3
Parameter P070 adjust output to cylinder coil rating (% of kW)
X15
(24V=)
X14
45
X13
(24V =)
X12
(24V =)
X11
(24V =)
N/A
X10
(24V =)
N/A
X8
(230V ~)
X5
(230V ~)
X4
(230V ~)
X3
(230V ~)
X2
(230V ~)
X1
(230V ~)
12
F1 (3,15 AT)
FUSE
3
1
2
12 123
24V=
230V
A
B
C
D
E
Zone Valve
D H W
V4043H
(normally closed)
Cylinder O/H Stat
Manual reset
230v to Overheat thermostat
230Vac 3amp
Switched
Fused Spur
Wiring Centre
Zone Valve
C/HEATING
V4043B
(normally open)
L
N
C
on
o
NTC
Cylinder
Sensor
OpenTherm
Heating Control
EARTH
S/L to HTG M/V
GREY (LIVE)
DHW S/L to M/V
BLUE (neutral)
BLUE (neutral)
BLUE (neutral)
EARTH
S/L to M/
DHW S/L
L N
1 2
3 4 5 6 7 8 9 10
Hot Water Timer (option)
(Volt free switching)
Orange & grey wires from
heating zone are not
required, please isolate &
make them safe.
(if applicable cables not always
supplied with this valve model)
Note:
The zone valve B closes when a
demand for DHW is created giving
priority to recover the cylinder.
Bekijk gratis de handleiding van Intergas Xclusive 36, stel vragen en lees de antwoorden op veelvoorkomende problemen, of gebruik onze assistent om sneller informatie in de handleiding te vinden of uitleg te krijgen over specifieke functies.
Productinformatie
| Merk | Intergas |
| Model | Xclusive 36 |
| Categorie | Niet gecategoriseerd |
| Taal | Nederlands |
| Grootte | 12726 MB |




