Inoksan SDN140 handleiding

42 pagina's
PDF beschikbaar

Handleiding

Je bekijkt pagina 27 van 42
25
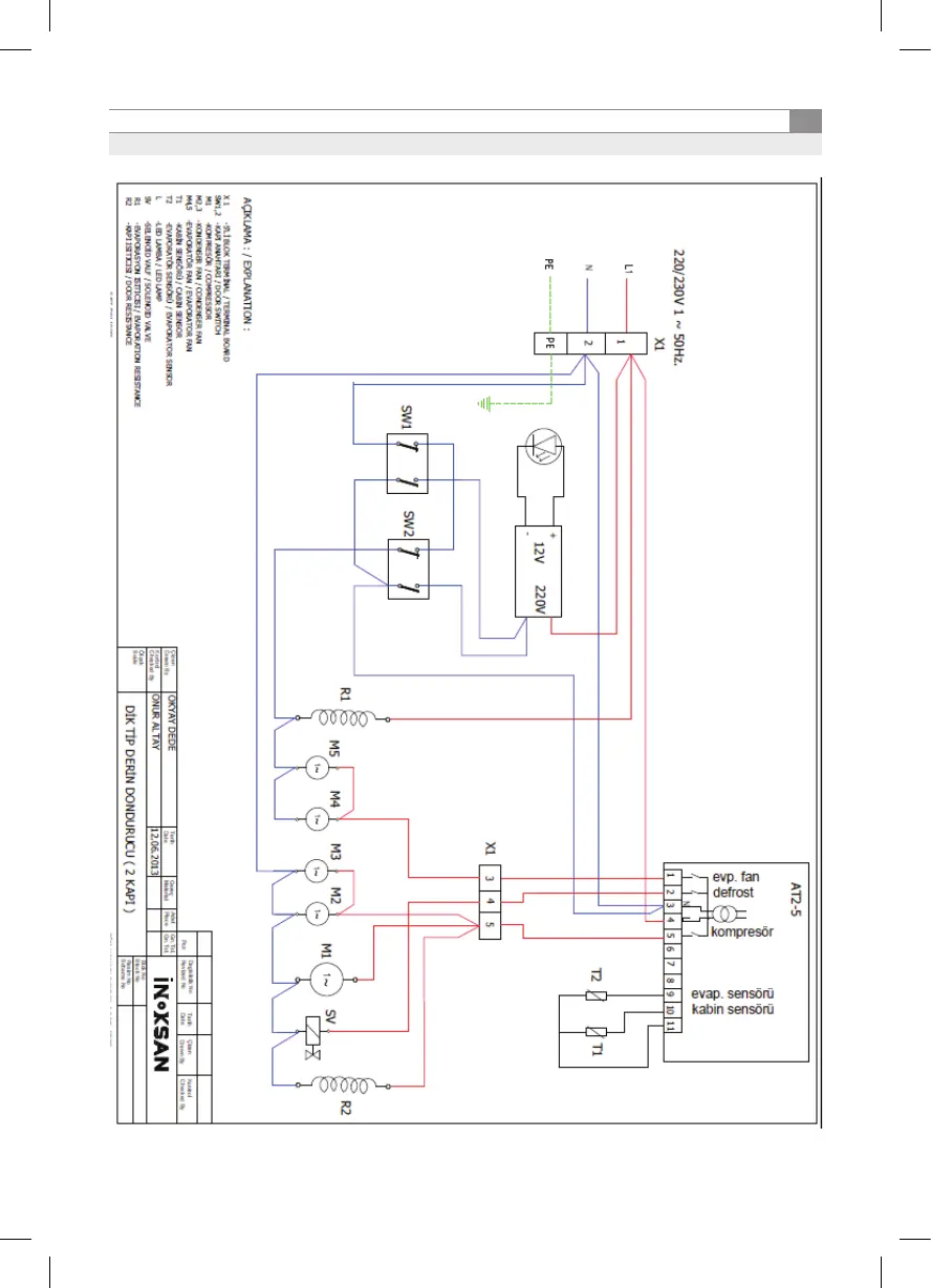
*DEPO TİPİ BUZDOLABI ............................................ INO-SDF140

Bekijk gratis de handleiding van Inoksan SDN140, stel vragen en lees de antwoorden op veelvoorkomende problemen, of gebruik onze assistent om sneller informatie in de handleiding te vinden of uitleg te krijgen over specifieke functies.

Productinformatie

MerkInoksan
ModelSDN140
CategorieKoelkast
TaalNederlands
Grootte3639 MB