Inoksan PDG400NM handleiding
Handleiding
Je bekijkt pagina 19 van 19

19
PDG500 N
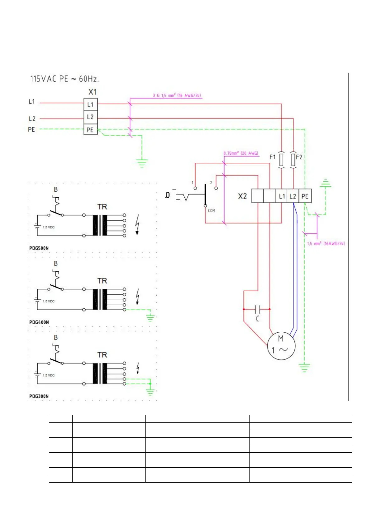
ELEKTRİK ŞEMASI/ ELECTRICAL SCHEMA/ SCHÉMA ÉLECTRIQUE
AÇIKLAMA
EXPLANATION
EXPLICATION
110 V AC PE – 60 Hz
110 V AC PE – 60 Hz
110 V CA PE 60 Hz
X1,X2
Giriş Terminali
Terminal blocks
Blocs terminaux
F1.F2
Sigorta
Fuse
Fusible
Q
I-0-II Giriş Anahtarı
I - 0- II Key Switch
Commutateur à clé
C
Kondansatör
Capacitor
Condensateur
M
Motor
Motor
Moteur
TR
Pilli Çakmak
Battery igniter
Allumeur sur batterie
B
Çakmak Butonu
Ignition switch
Commutateur d’allumage
Bekijk gratis de handleiding van Inoksan PDG400NM, stel vragen en lees de antwoorden op veelvoorkomende problemen, of gebruik onze assistent om sneller informatie in de handleiding te vinden of uitleg te krijgen over specifieke functies.
Productinformatie
| Merk | Inoksan |
| Model | PDG400NM |
| Categorie | Niet gecategoriseerd |
| Taal | Nederlands |
| Grootte | 6156 MB |





