Inoksan PDE503N handleiding

17 pagina's
PDF beschikbaar

Handleiding

Je bekijkt pagina 17 van 17
17
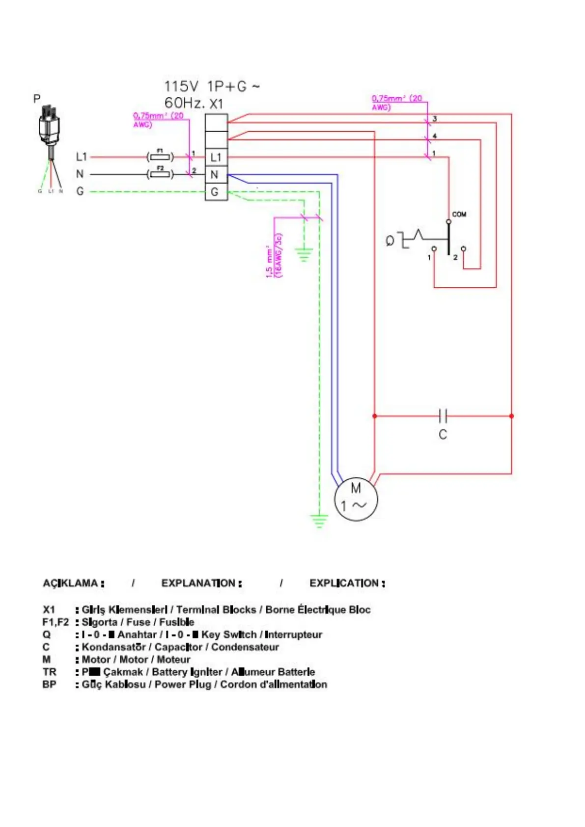
PDE 503 N- 503EN MOTOR ŞEMASI /MOTOR SCHEMA

Bekijk gratis de handleiding van Inoksan PDE503N, stel vragen en lees de antwoorden op veelvoorkomende problemen, of gebruik onze assistent om sneller informatie in de handleiding te vinden of uitleg te krijgen over specifieke functies.

Productinformatie

MerkInoksan
ModelPDE503N
CategorieNiet gecategoriseerd
TaalNederlands
Grootte4692 MB