Infiniton DIW-60.5 handleiding
Handleiding
Je bekijkt pagina 18 van 165

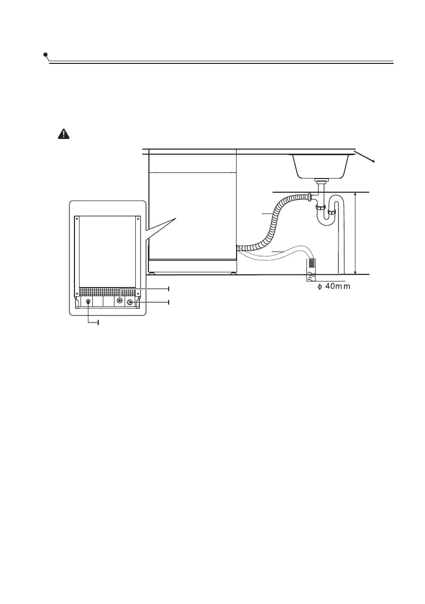
Conexión de las mangueras de drenaje
Fije con seguridad la manguera de drenaje en la posición A o en la posición B
B
A
MAX 1000mm
Encimera
Manguera
de drenaje
Inserta la manguera de drenaje en un tubo de drenaje con un diámetro mínimo de
4 cm o déjalo entrar al fregadero, asegurándote de evitar doblarlo o engarzarlo.
La altura del tubo de drenaje debe ser inferior a 1000 mm. El extremo libre de la
manguera no debe sumergirse en agua para evitar el retroceso del mismo.
Cómo drenar el exceso de agua de las mangueras
Si el fregadero está 1000 más alto desde el suelo, el exceso de agua en las
mangueras no se puede drenar directamente en el fregadero. Será necesario
drenar el exceso de agua de las mangueras en un recipiente o recipiente
adecuado que se mantenga afuera y más bajo que el fregadero.
Salida de agua
Conecte la manguera de drenaje de agua. La manguera de drenaje debe estar
correctamente instalada para evitar fugas de agua. Asegúrese de que la
manguera de drenaje de agua no esté doblada ni aplastada.
Manguera de extensión
Si necesita una extensión de manguera de drenaje, asegúrese de usar una
manguera de drenaje similar.
No debe superar los 4 metros; de lo contrario, el efecto de limpieza del lavavajillas
podría ser reducido
Conexión de sifón
La conexión de desechos debe estar a una altura inferior a 100 cm (máximo)
desde el fondo del plato. La manguera de drenaje de agua debe ser fija.
18
Parte posterior del lavavajillas
Entrada de agua
Tubo de desagüe
Cable de red
Bekijk gratis de handleiding van Infiniton DIW-60.5, stel vragen en lees de antwoorden op veelvoorkomende problemen, of gebruik onze assistent om sneller informatie in de handleiding te vinden of uitleg te krijgen over specifieke functies.
Productinformatie
Merk | Infiniton |
Model | DIW-60.5 |
Categorie | Vaatwasser |
Taal | Nederlands |
Grootte | 14539 MB |