Handleiding
Je bekijkt pagina 54 van 60

54
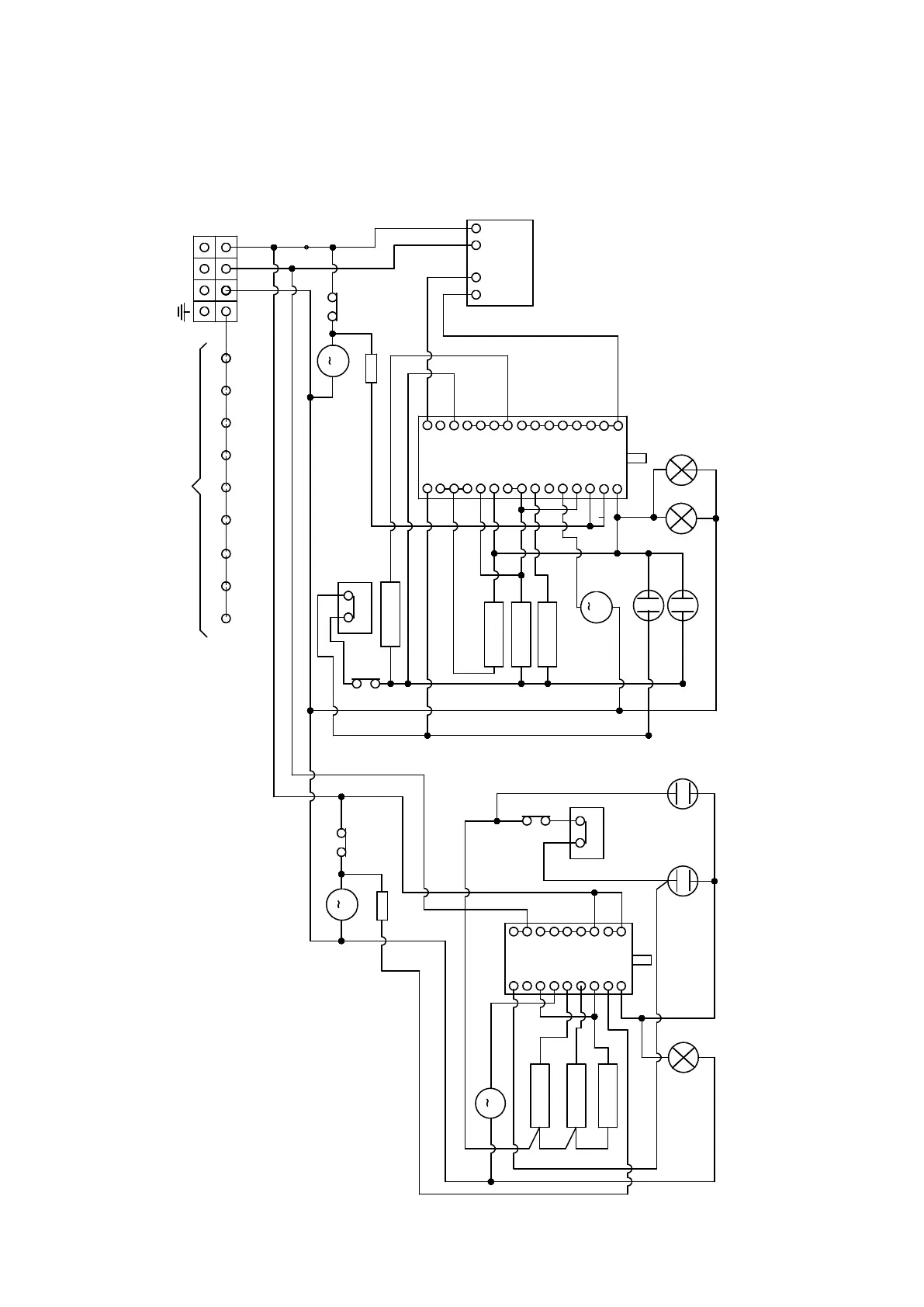
ELECTRICAL SKETCHES
U (P/N/) D 36...MP - U (P/N) D I 36...MP
U (P/N/) D 40...MP - U (P/N) D I 40...MP
C mf
5
4
8
6
7
11
9
10
C
E
G
M
I
L
3
12
N
D
F
H
O
13
2
A1
B
P
14
K1
45
K3 K5 K6
F F1
M
K7 K9 K13 K15K8
22
22
M
VT
22
P
IN
OUT
00
00
R4 mf
11
55
R1 mf
R2 mf
11
00
00
00
R3 mf
22
T
S1
S2
00
M
VR
L1
L2
00
00
22
22
00
66
66
66
44
11
33
33
22
00
Q
15
11
M
33
66
3
2
R1
R2
00
00
66
66
00
00
00
6
4
5
9
7
8
A
B
F
D
I
G
H
1
R3
11
66
00
11
22
00
66
00
11
11
00
22
22
00
00
M
VT
11
S1
S2
L1
C st
MG
TT
N
TT
33
33
33
33
33
33
00
66
00
11
11
11
11
55
RL
22
22
22
22
00
00
00
22
TS
22
33
33
33
33
33
TS
RL
22
55
55
55
55
55
55
T
Bekijk gratis de handleiding van Ilve UN48, stel vragen en lees de antwoorden op veelvoorkomende problemen, of gebruik onze assistent om sneller informatie in de handleiding te vinden of uitleg te krijgen over specifieke functies.
Productinformatie
| Merk | Ilve |
| Model | UN48 |
| Categorie | Fornuis |
| Taal | Nederlands |
| Grootte | 11053 MB |







