Ikon IUC36R handleiding

31 pagina's
PDF beschikbaar

Handleiding

Je bekijkt pagina 27 van 31
Service and Installation Manual
27
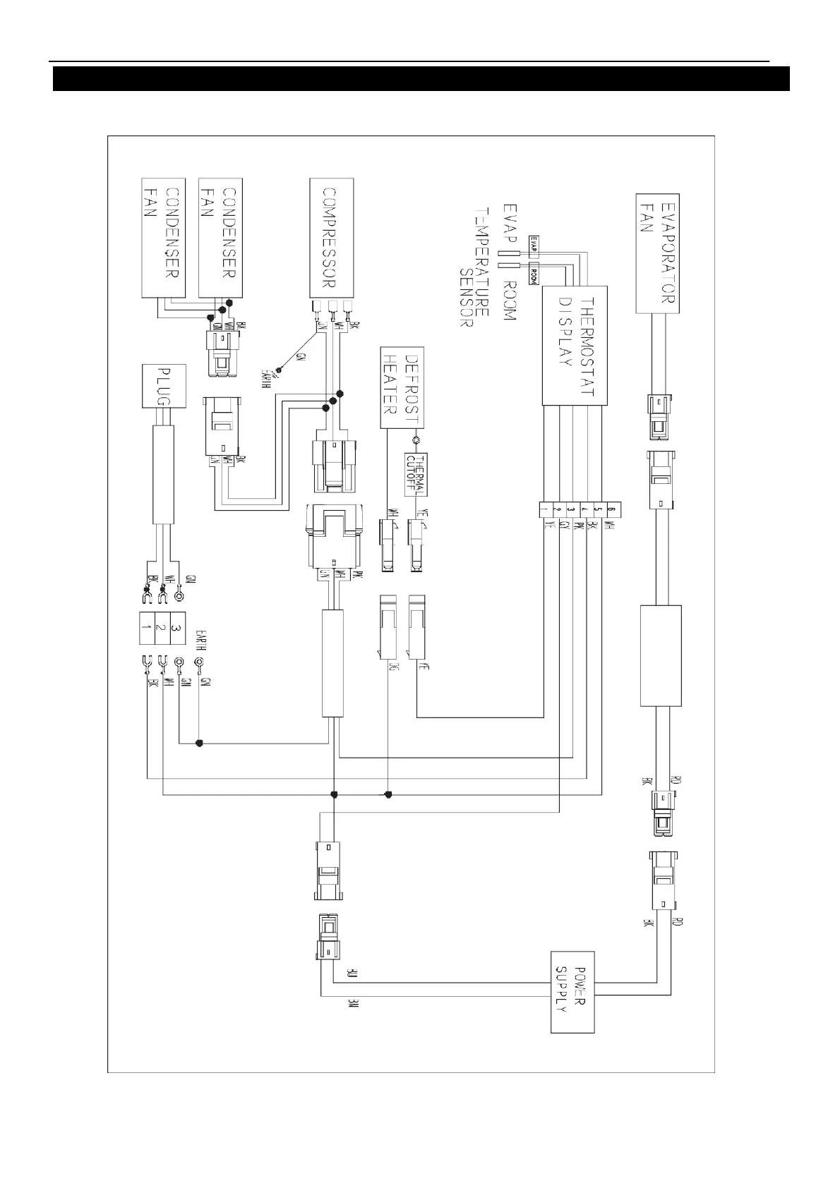
WIRING DIAGRAM
MODEL: IUC28F

Bekijk gratis de handleiding van Ikon IUC36R, stel vragen en lees de antwoorden op veelvoorkomende problemen, of gebruik onze assistent om sneller informatie in de handleiding te vinden of uitleg te krijgen over specifieke functies.

Productinformatie

MerkIkon
ModelIUC36R
CategorieKoelkast
TaalNederlands
Grootte4054 MB